LEMON Manuals: Even more car manuals for everyone
Home >> Chrysler >> 1981 >> Imperial >> Repair and Diagnosis >> Engine Performance >> Engine Control Systems >> Combustion Control Computer >> Diagnosis & Testing >> Notes

Diagnosis & Testing: Notes

NOTES & CAUTIONS 

NOTE: A Chrysler Corp. EFI Tester is necessary to do thorough testing of the CCC systems. However, some checks can be done visually and with normal shop equipment. All electrical measurements must be made with a digital, high-impedance volt-ohmmeter.
CAUTION: Use extreme care when disconnecting and connecting electrical connectors. Be sure system is off and all connections are made firmly. Otherwise, damage may occur to CCC or additional problems may be introduced into system.
CAUTION: If engine must be cranked with ignition coil high tension lead removed from distributor cap, this lead MUST be grounded or CCC will be destroyed.
NOTE: EFI system is pressurized. Be sure all fittings are tight and check for leaks before operating fuel supply system.
NOTE: Whenever CCC is replaced, Auto-Calibration procedure must be performed to allow computer to adjust to vehicle conditions. See "Adjustment" in this article.

Before beginning diagnosis and testing, be sure to check systems that are not related to CCC and eliminate these from the list of possible problems. Such items as corroded battery wires, poor ground connections, and contaminated fuel filters or spark plugs will cause problems, but are not the fault of the CCC system.

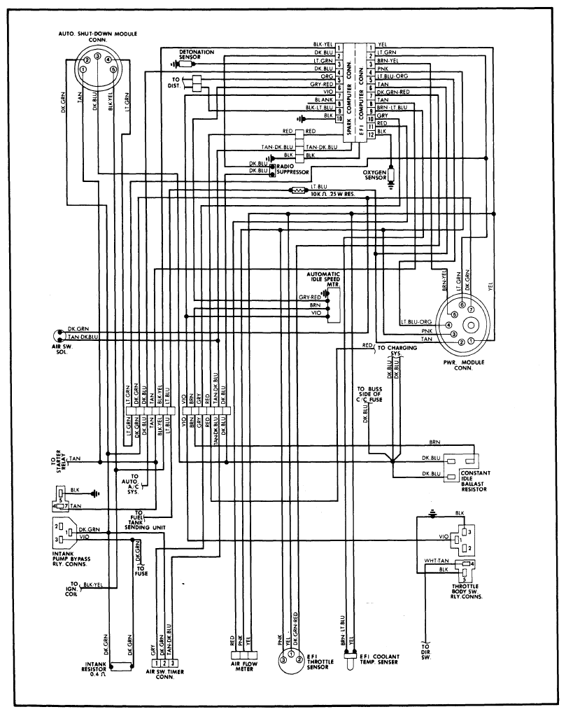
Fig 1: Combustion Control Computer Wiring Diagram
G09339912Courtesy of CHRYSLER GROUP, LLC