LEMON Manuals: Even more car manuals for everyone
Home >> Chevrolet >> 2025 >> Trax LS >> Repair and Diagnosis >> Transmission >> Automatic Trans >> Shift Lock Control System >> Schematic Wiring Diagrams >> Shift Lock Control Wiring Schematics >> Shift Lock Control

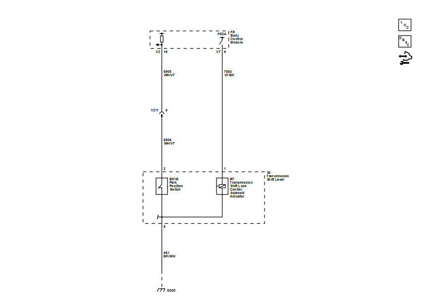
Shift Lock Control

GM6420449Courtesy of GENERAL MOTORS COMPANY