LEMON Manuals: Even more car manuals for everyone
Home >> Chevrolet >> 2025 >> Traverse Z71 >> Repair and Diagnosis >> Body & Frame >> Door Locks >> Keyless Entry System And Remote Functions >> Schematic Wiring Diagrams >> Remote Function Wiring Schematics >> Keyless Entry - Passive and Keyless Start

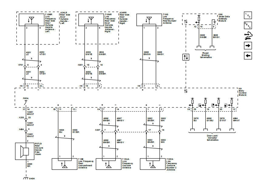
Keyless Entry - Passive and Keyless Start

GM6522669Courtesy of GENERAL MOTORS COMPANY