LEMON Manuals: Even more car manuals for everyone
Home >> Chevrolet >> 2025 >> Traverse Z71 >> Repair and Diagnosis >> Accessories & Equipment >> Anti-Theft Systems >> Keyless Entry System And Remote Functions >> Schematic Wiring Diagrams >> Remote Function Wiring Schematics >> Keyless Entry - Virtual Key 1 of 3 (BOY/BOR)

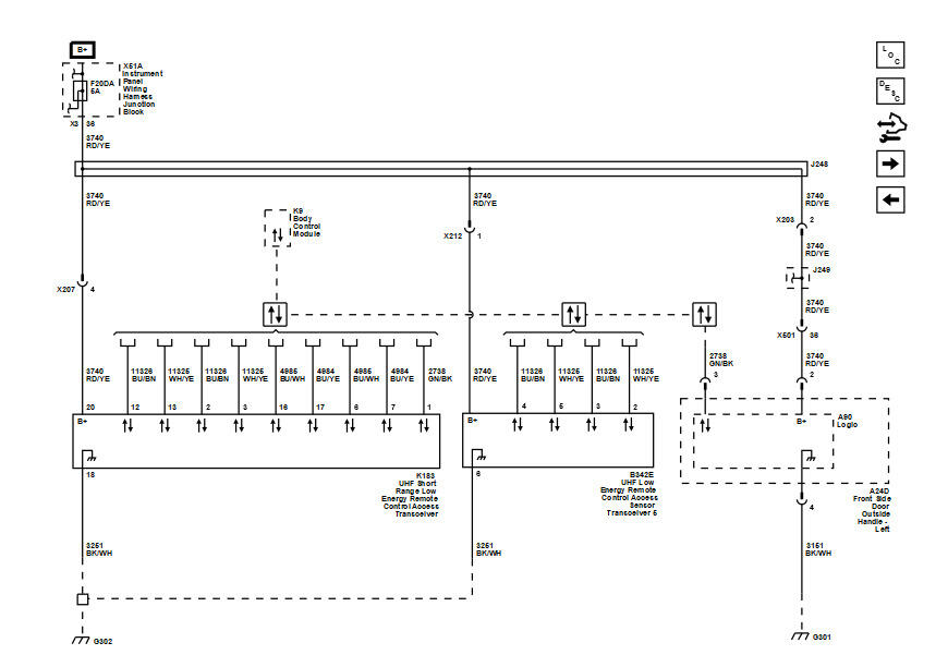
Keyless Entry - Virtual Key 1 of 3 (BOY/BOR)

GM6563519Courtesy of GENERAL MOTORS COMPANY