LEMON Manuals: Even more car manuals for everyone
Home >> Chevrolet >> 2021 >> Traverse L >> Repair and Diagnosis >> External Pages >> Different car >> Section 75 (Remote Functions) >> Schematic Wiring Diagrams >> Remote Function Wiring Schematics >> Keyless Entry - Passive and Keyless Start

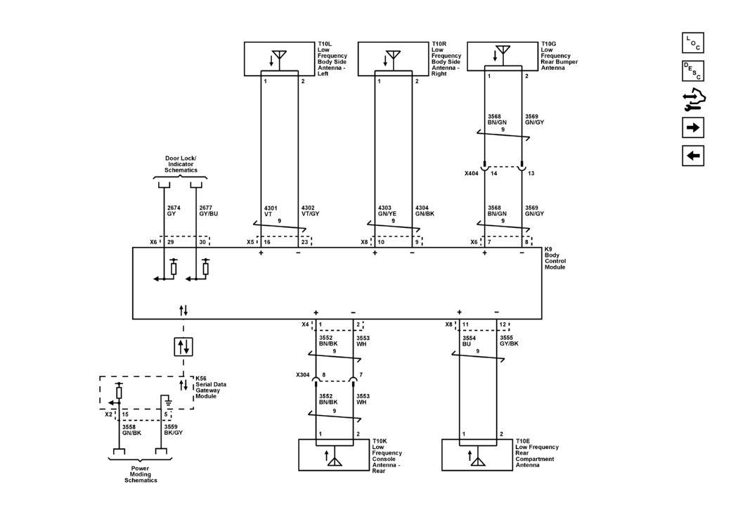
Keyless Entry - Passive and Keyless Start

WARNING: This page is about a different car, the 2020 Cadillac CT4. However, it is still accessible from the selected car via links, so may be relevant.
GM5391994Courtesy of GENERAL MOTORS COMPANY