LEMON Manuals: Even more car manuals for everyone
Home >> Chevrolet >> 2021 >> Camaro LS, Automatic Trans >> Repair and Diagnosis >> Transmission >> Automatic Trans >> Shift Lock Control System >> Schematic Wiring Diagrams >> Shift Lock Control Wiring Schematics >> Shift Lock Control

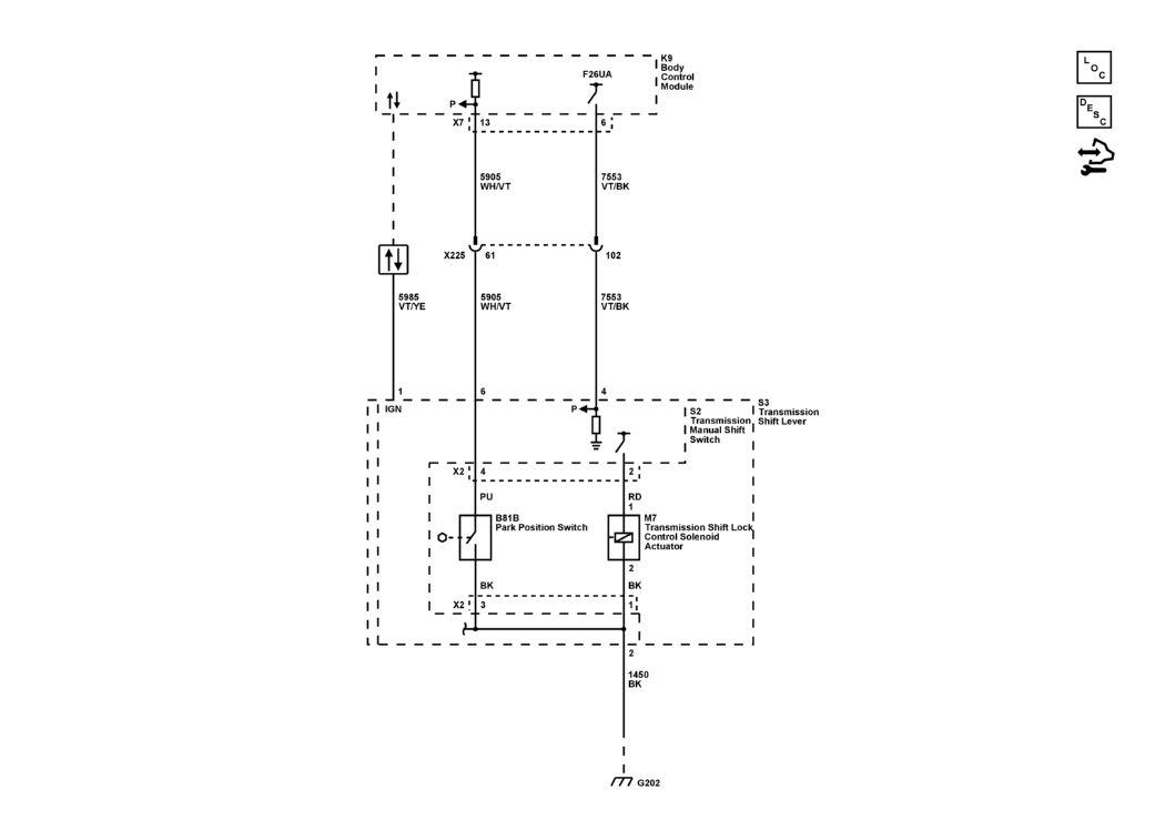
Shift Lock Control

GM5457396Courtesy of GENERAL MOTORS COMPANY