LEMON Manuals: Even more car manuals for everyone
Home >> Chevrolet >> 2020 >> Traverse Premier, FWD >> Repair and Diagnosis >> Transmission >> Automatic Trans >> Shift Lock Control System >> Schematic Wiring Diagrams >> Shift Lock Control Wiring Schematics >> Shift Lock Control (X88)

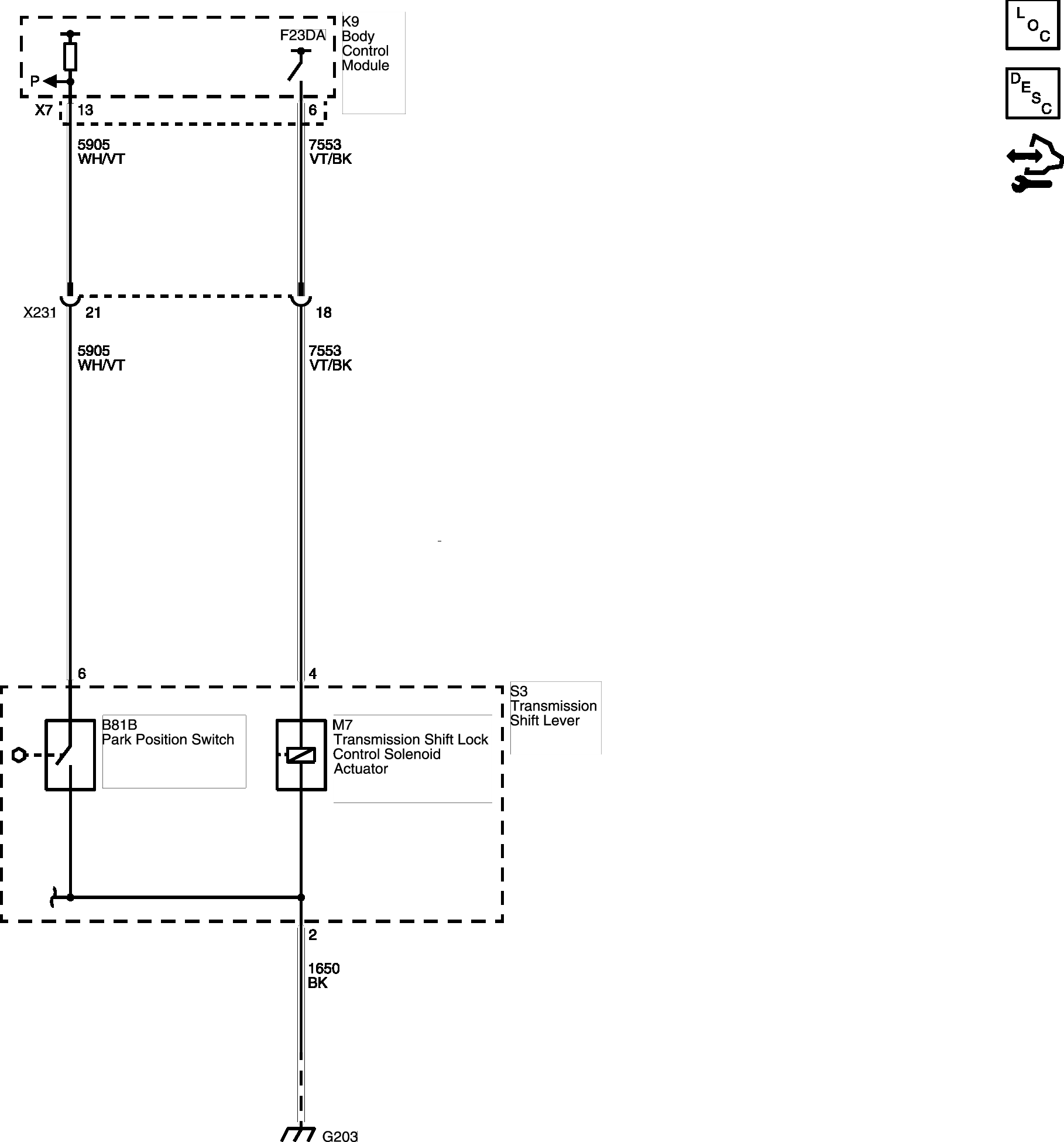
Shift Lock Control (X88)

GM5210322Courtesy of GENERAL MOTORS COMPANY