LEMON Manuals: Even more car manuals for everyone
Home >> Chevrolet >> 2020 >> Sonic LS >> Repair and Diagnosis >> Engine Performance >> System >> Data Communications >> Schematic Wiring Diagrams >> Data Communication Wiring Schematics >> Serial Data Gateway Module and Data Link Connector Power and Ground

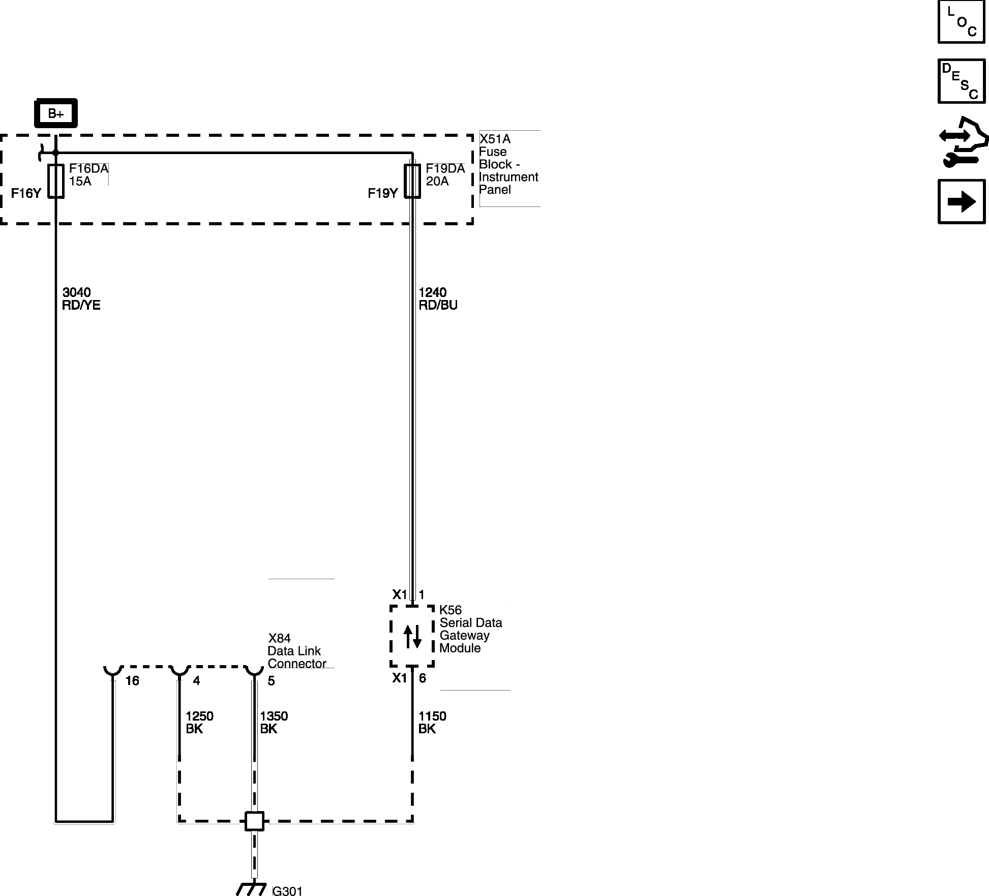
Serial Data Gateway Module and Data Link Connector Power and Ground

GM5238096Courtesy of GENERAL MOTORS COMPANY