LEMON Manuals: Even more car manuals for everyone
Home >> Chevrolet >> 2019 >> Volt Premier >> Repair and Diagnosis >> External Pages >> Different car >> Section 68 (Object Detection System) >> Schematic Wiring Diagrams >> Object Detection Wiring Schematics >> Rear Vision Camera (UVC)

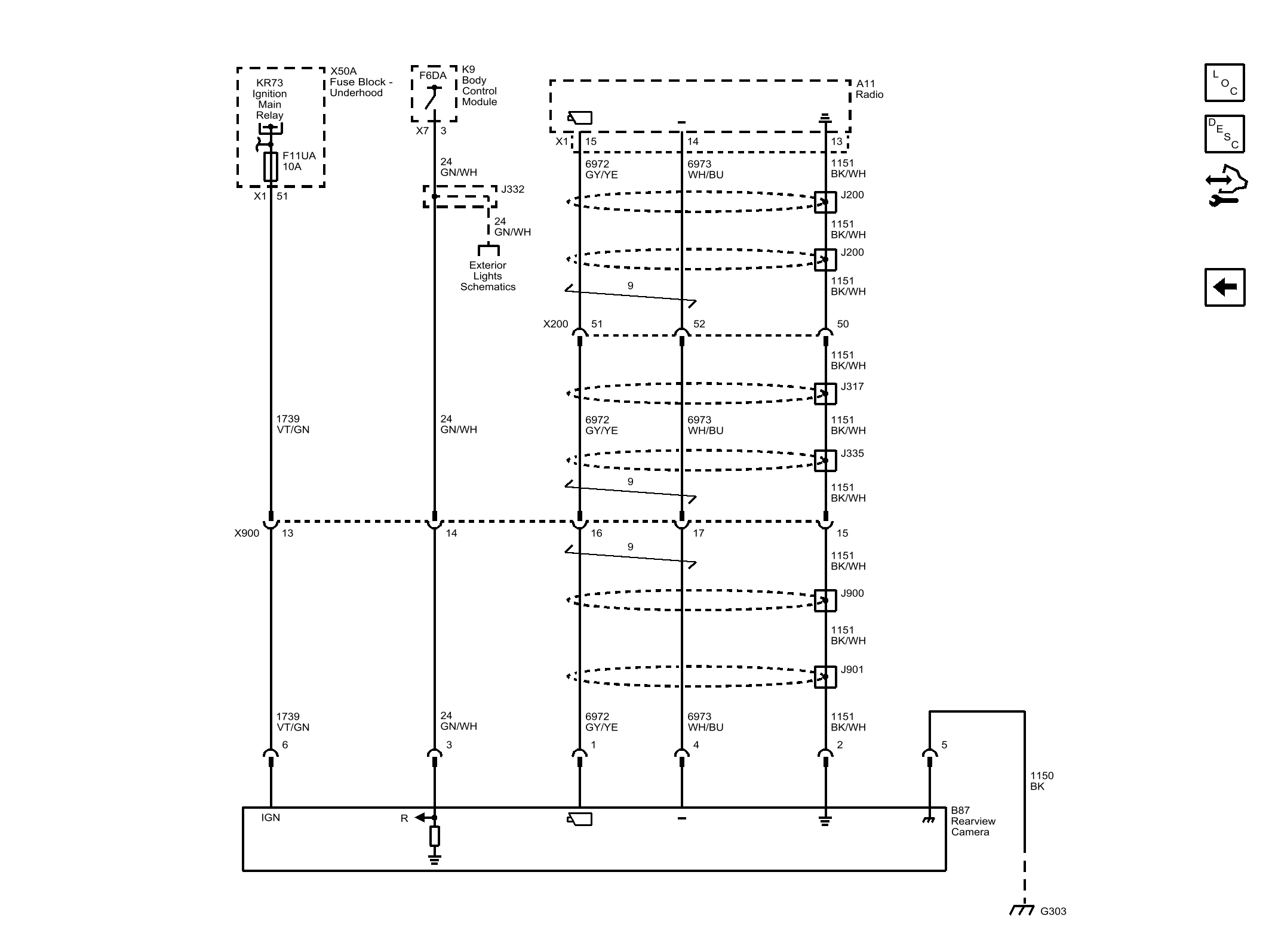
Rear Vision Camera (UVC)

WARNING: This page is about a different car, the 2017 Chevrolet Spark. However, it is still accessible from the selected car via links, so may be relevant.
Fig 1: Rear Vision Camera (UVC)
GM4322631Courtesy of GENERAL MOTORS COMPANY