LEMON Manuals: Even more car manuals for everyone
Home >> Chevrolet >> 2019 >> Traverse Premier, FWD >> Repair and Diagnosis >> Transmission >> Automatic Trans >> Shift Lock Control >> Schematic Wiring Diagrams >> Shift Lock Control Wiring Schematics >> Shift Lock Control (X88)

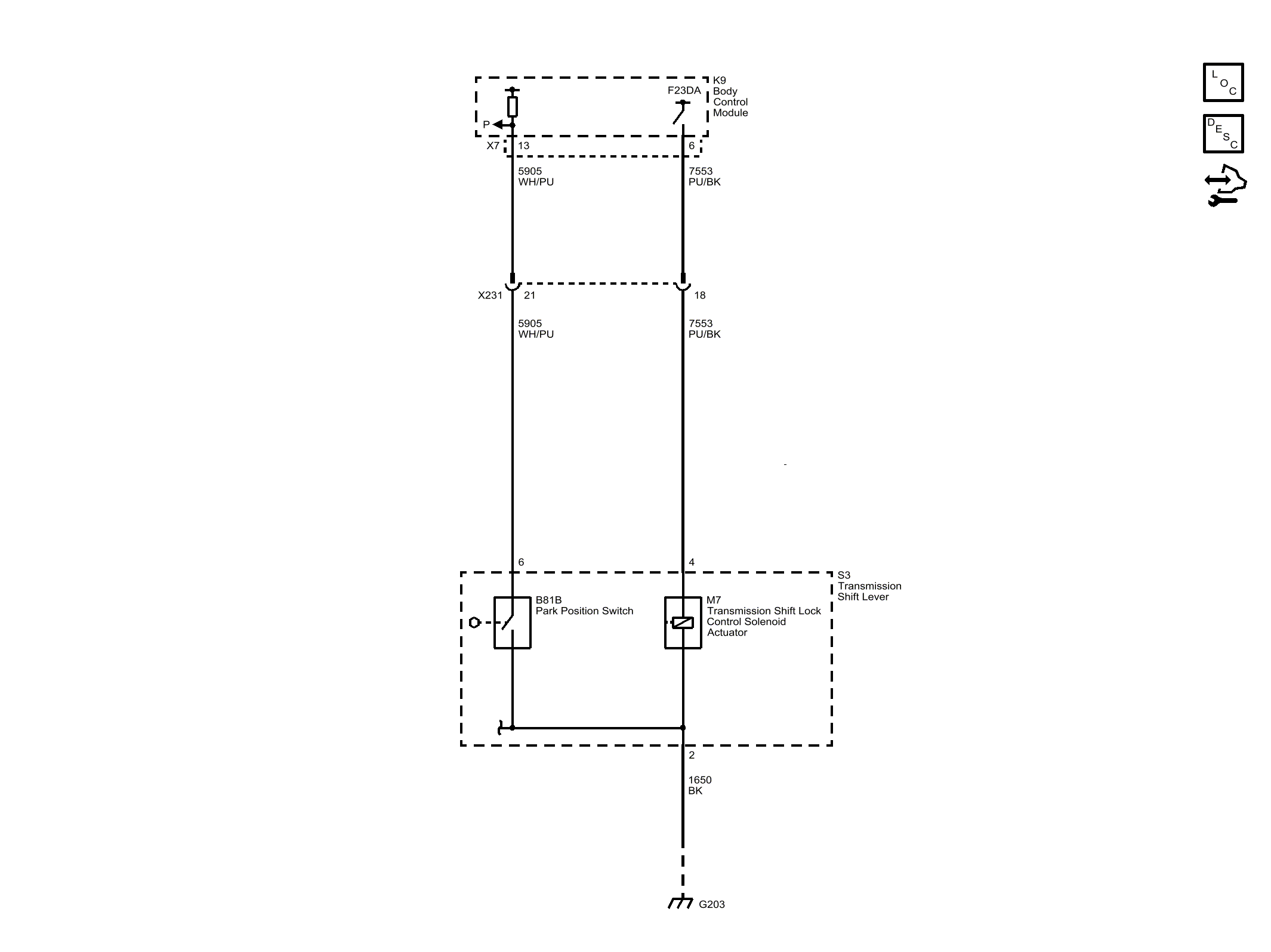
Shift Lock Control (X88)

GM4919686Courtesy of GENERAL MOTORS COMPANY