LEMON Manuals: Even more car manuals for everyone
Home >> Chevrolet >> 2019 >> Traverse L >> Repair and Diagnosis (Single Page) >> Accessories & Equipment >> Entertainment Systems >> Cellular, Entertainment, And Navigation System >> Schematic Wiring Diagrams >> Radio/Navigation System Wiring Schematics >> Radio Power, Ground Serial Data, Audio Inputs and References (IOA)

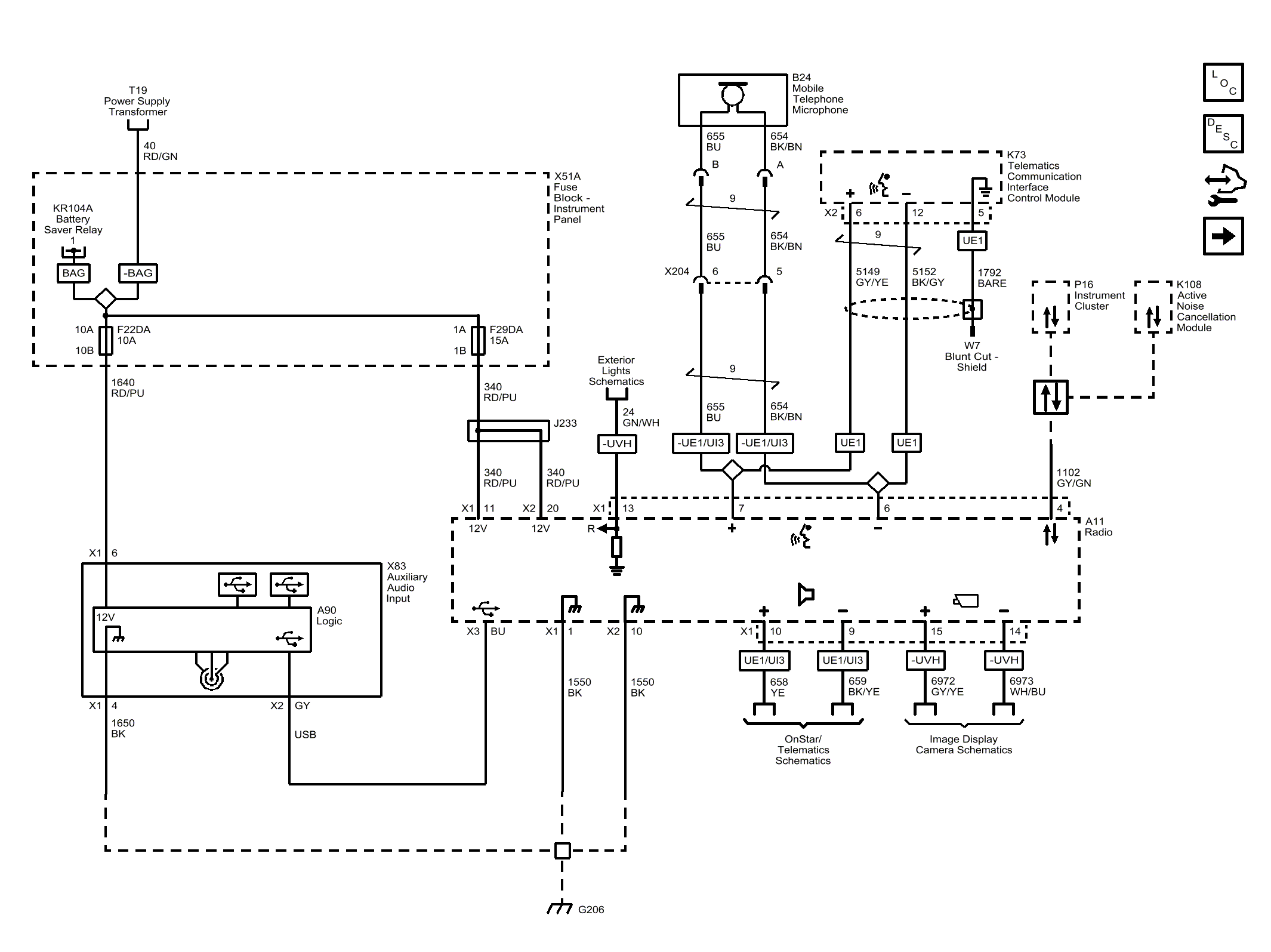
Radio Power, Ground Serial Data, Audio Inputs and References (IOA)

GM4919569Courtesy of GENERAL MOTORS COMPANY