LEMON Manuals: Even more car manuals for everyone
Home >> Chevrolet >> 2019 >> Traverse L >> Repair and Diagnosis (Single Page) >> Accessories & Equipment >> Entertainment Systems >> Cellular, Entertainment, And Navigation System >> Schematic Wiring Diagrams >> Radio/Navigation System Wiring Schematics >> Human Machine Interface and Display, Power, Ground, Serial Data and Microphone (IO5 or IO6)

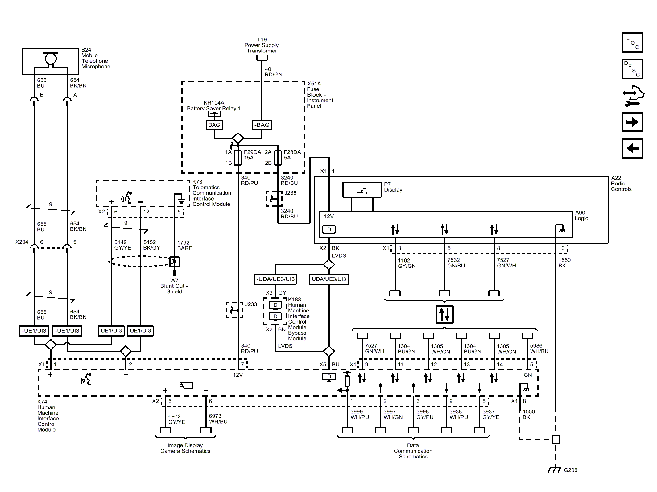
Human Machine Interface and Display, Power, Ground, Serial Data and Microphone (IO5 or IO6)

GM4919586Courtesy of GENERAL MOTORS COMPANY