LEMON Manuals: Even more car manuals for everyone
Home >> Chevrolet >> 2019 >> Spark LS, Standard Trans >> Repair and Diagnosis >> External Pages >> Different car >> Section 32 (Cellular System, Entertainment System, And Navigation System) >> Schematic Wiring Diagrams >> Radio/Navigation System Wiring Schematics >> Power, Ground, Serial Data, Antenna and Microphone (IP0/IP1)

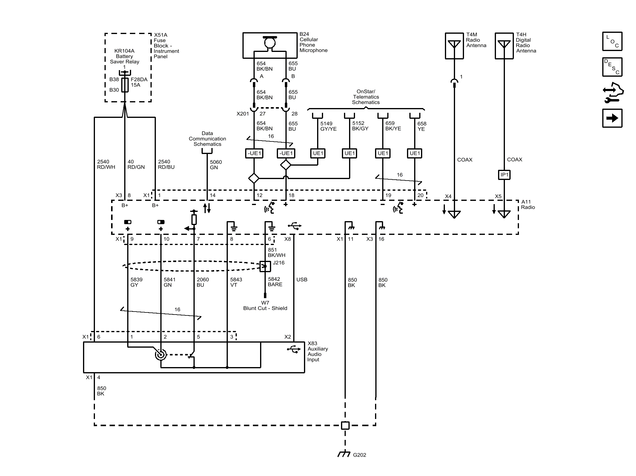
Power, Ground, Serial Data, Antenna and Microphone (IP0/IP1)

WARNING: This page is about a different car, the 2017 Chevrolet Spark. However, it is still accessible from the selected car via links, so may be relevant.
Fig 1: Power, Ground, Serial Data, Antenna and Microphone (IP0/IP1)
GM4322507Courtesy of GENERAL MOTORS COMPANY