LEMON Manuals: Even more car manuals for everyone
Home >> Chevrolet >> 2019 >> Sonic LS, Standard Trans >> Repair and Diagnosis >> Engine Performance >> System >> Data Communications System >> Schematic and Routing Diagrams >> Data Communication Wiring Schematics >> Serial Data Gateway Module and Data Link Connector Power and Ground

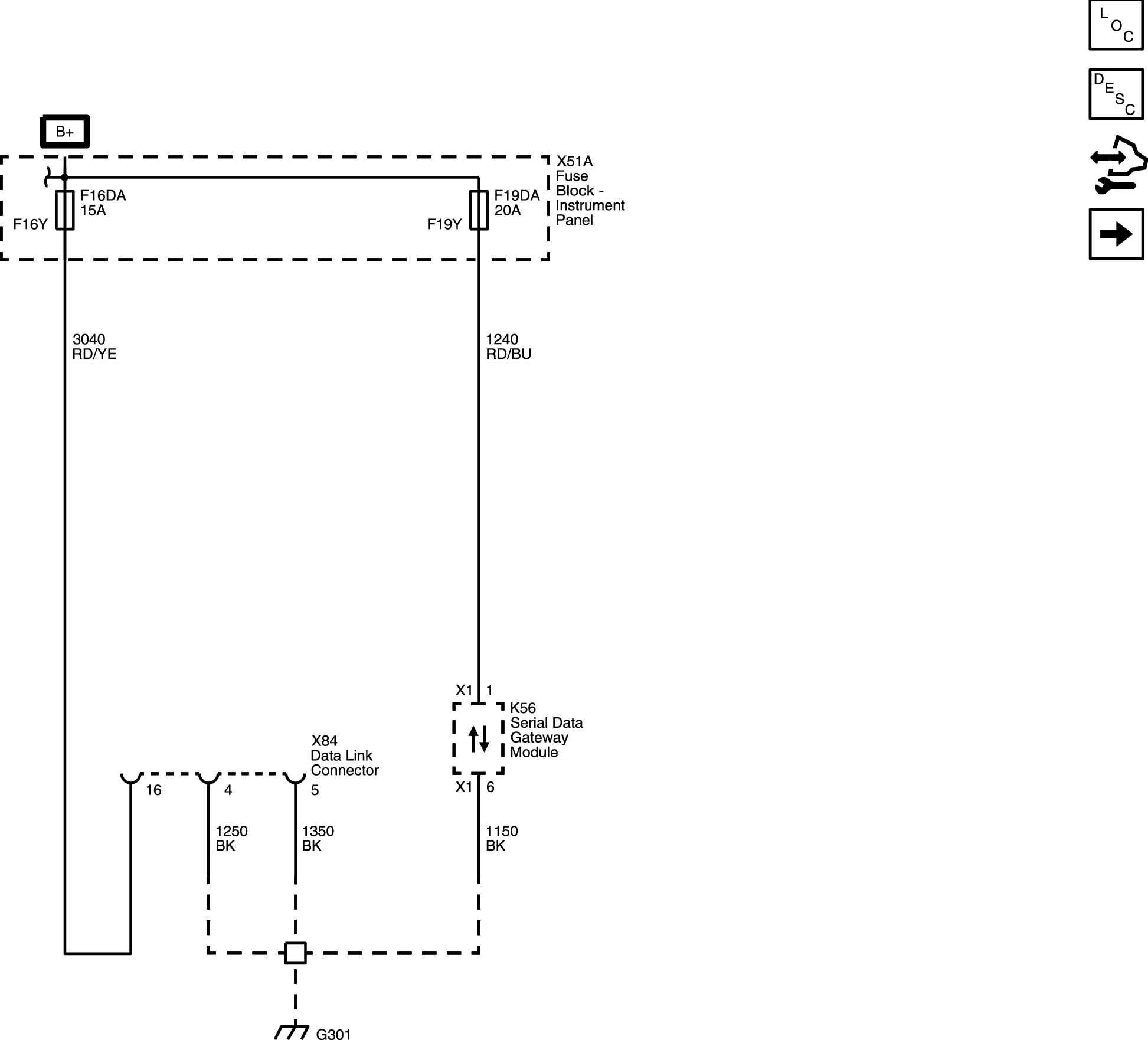
Serial Data Gateway Module and Data Link Connector Power and Ground

GM4959686Courtesy of GENERAL MOTORS COMPANY