LEMON Manuals: Even more car manuals for everyone
Home >> Chevrolet >> 2019 >> Bolt EV Premier >> Repair and Diagnosis >> External Pages >> Different car >> Section 1 (Cellular System, Entertainment System, And Navigation System) >> Schematic Wiring Diagrams >> Radio/Navigation System Wiring Schematics >> Controls (-MAH)

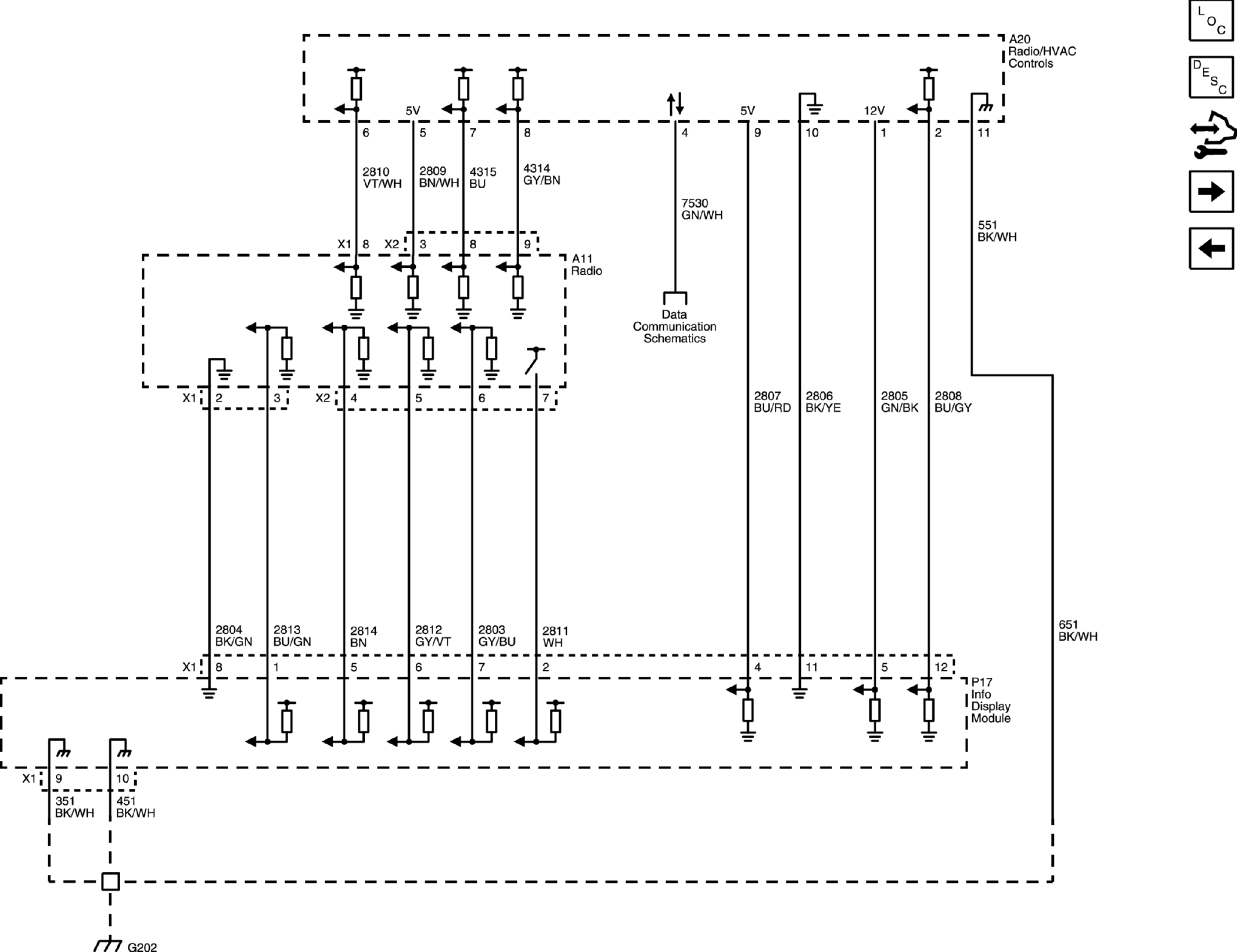
Controls (-MAH)

WARNING: This page is about a different car, the 2018 Chevrolet Bolt EV. However, it is still accessible from the selected car via links, so may be relevant.
GM5066181Courtesy of GENERAL MOTORS COMPANY