LEMON Manuals: Even more car manuals for everyone
Home >> Chevrolet >> 2018 >> Traverse RS >> Repair and Diagnosis (Single Page) >> Accessories & Equipment >> Entertainment Systems >> Cellular System, Entertainment System, And Navigation System >> Schematic Wiring Diagrams >> Radio/Navigation System Wiring Schematics >> Human Machine Interface and Display, Power, Ground, Serial Data and Microphone (IO5 or IO6)

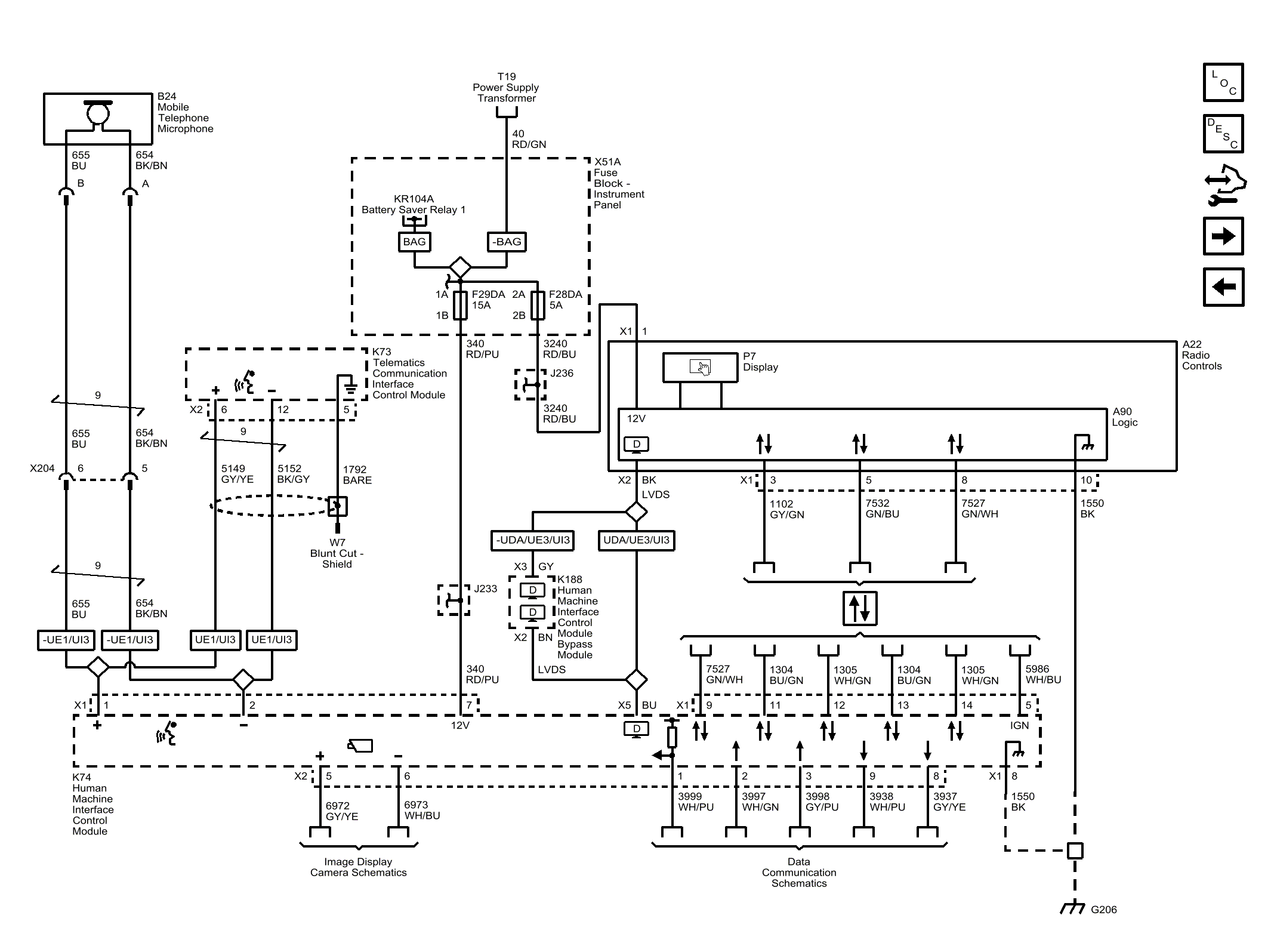
Human Machine Interface and Display, Power, Ground, Serial Data and Microphone (IO5 or IO6)

GM4744697