LEMON Manuals: Even more car manuals for everyone
Home >> Chevrolet >> 2018 >> Traverse Premier, FWD >> Repair and Diagnosis >> Accessories & Equipment >> Memory Modules >> Secondary And Configurable Customer Control System >> Schematic Wiring Diagrams >> Steering Wheel Secondary/Configurable Control Wiring Schematics >> Steering Wheel Controls (W49)

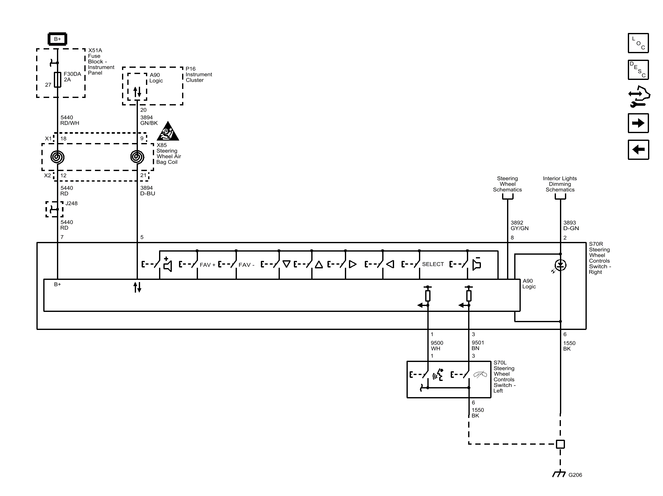
Steering Wheel Controls (W49)

GM4744713