LEMON Manuals: Even more car manuals for everyone
Home >> Chevrolet >> 2018 >> Traverse L >> Repair and Diagnosis >> Transmission >> Automatic Trans >> Shift Lock Control System >> Schematic Wiring Diagrams >> Shift Lock Control Wiring Schematics >> Shift Lock Control (X88)

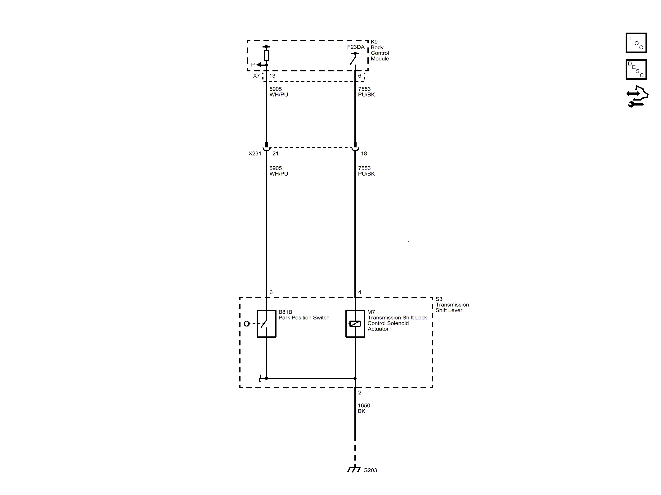
Shift Lock Control (X88)

GM4745356