LEMON Manuals: Even more car manuals for everyone
Home >> Chevrolet >> 2018 >> Traverse L >> Repair and Diagnosis >> External Pages >> Different car >> Section 56 (Remote Functions System) >> Schematic Wiring Diagrams >> Remote Function Wiring Schematics >> Keyless Entry - Passive and Keyless Start

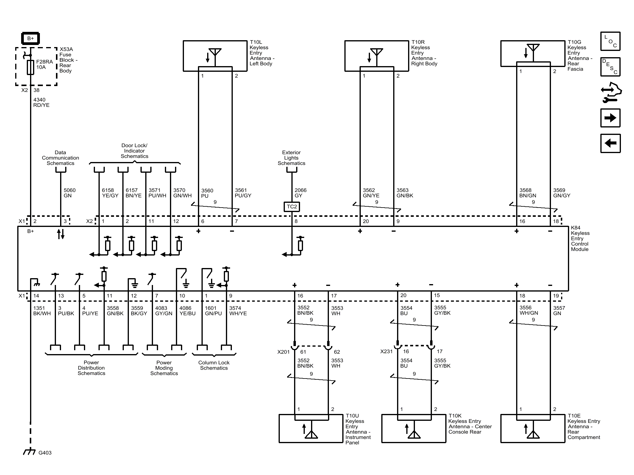
Keyless Entry - Passive and Keyless Start

WARNING: This page is about a different car, the 2019 Chevrolet Traverse. However, it is still accessible from the selected car via links, so may be relevant.
GM4919614Courtesy of GENERAL MOTORS COMPANY