LEMON Manuals: Even more car manuals for everyone
Home >> Chevrolet >> 2018 >> Traverse L >> Repair and Diagnosis >> Accessories & Equipment >> Memory Modules >> Secondary And Configurable Customer Control System >> Schematic Wiring Diagrams >> Steering Wheel Secondary/Configurable Control Wiring Schematics >> Ride Mode Controls (X88)

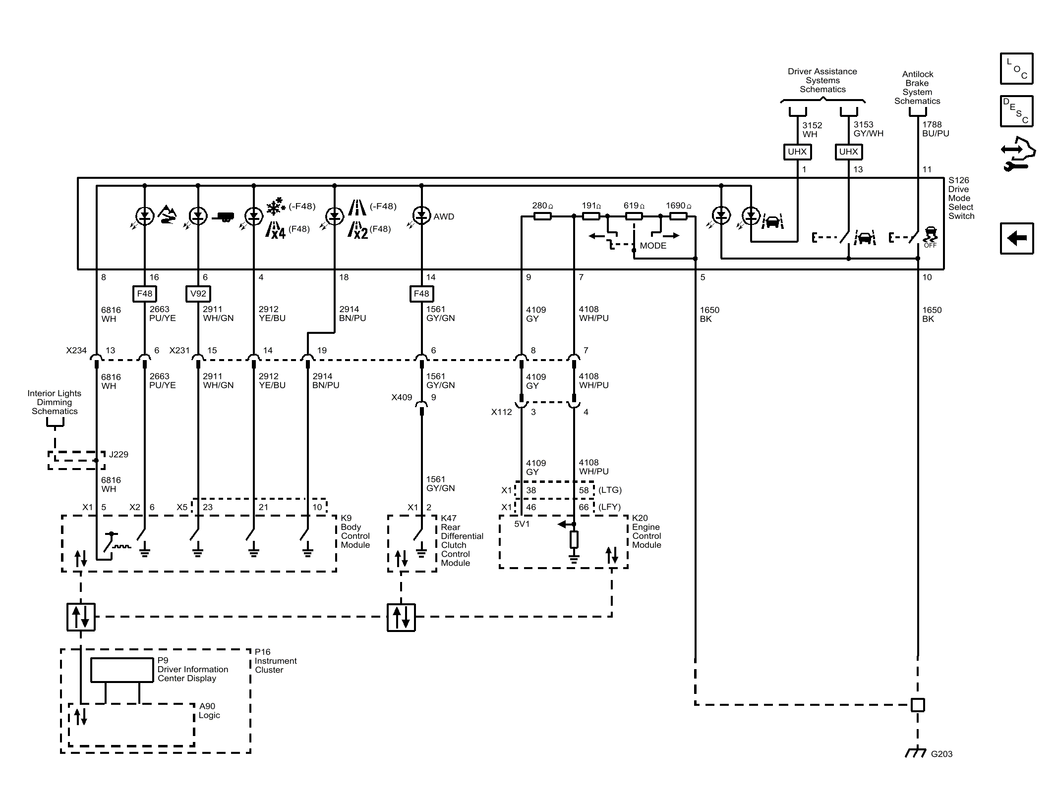
Ride Mode Controls (X88)

GM4775783