LEMON Manuals: Even more car manuals for everyone
Home >> Chevrolet >> 2018 >> Traverse L >> Repair and Diagnosis (Single Page) >> Accessories & Equipment >> Entertainment Systems >> Cellular System, Entertainment System, And Navigation System >> Schematic Wiring Diagrams >> Radio/Navigation System Wiring Schematics >> Auxiliary Inputs (IO5/IO6)

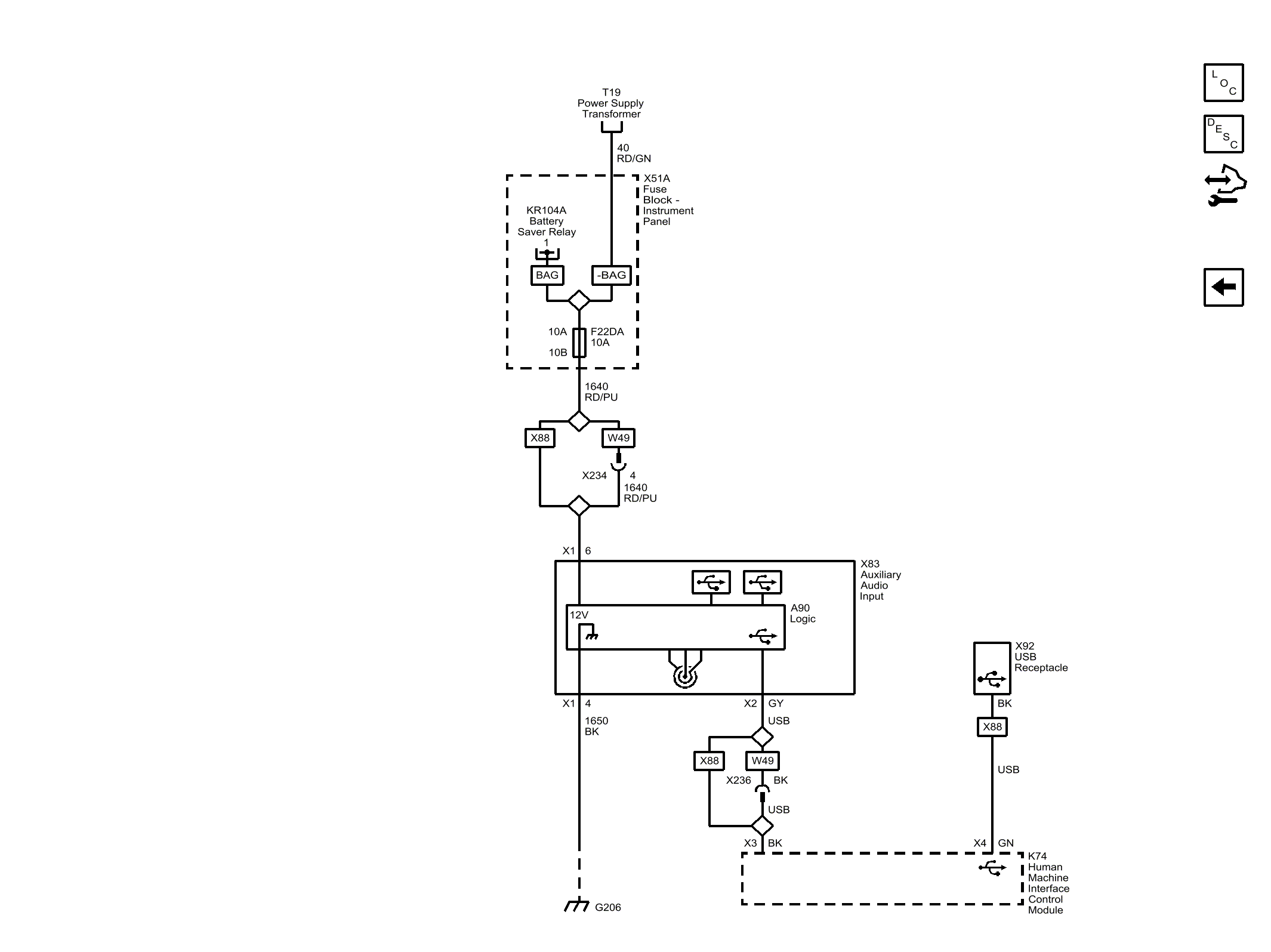
Auxiliary Inputs (IO5/IO6)

GM4744705