LEMON Manuals: Even more car manuals for everyone
Home >> Chevrolet >> 2017 >> Volt Premier >> Repair and Diagnosis >> Accessories & Equipment >> Drivers Assistance Systems - ADAS >> Object Detection System And Pedestrian Protection System >> Schematic Wiring Diagrams >> Object Detection Wiring Schematics >> Rearview Camera

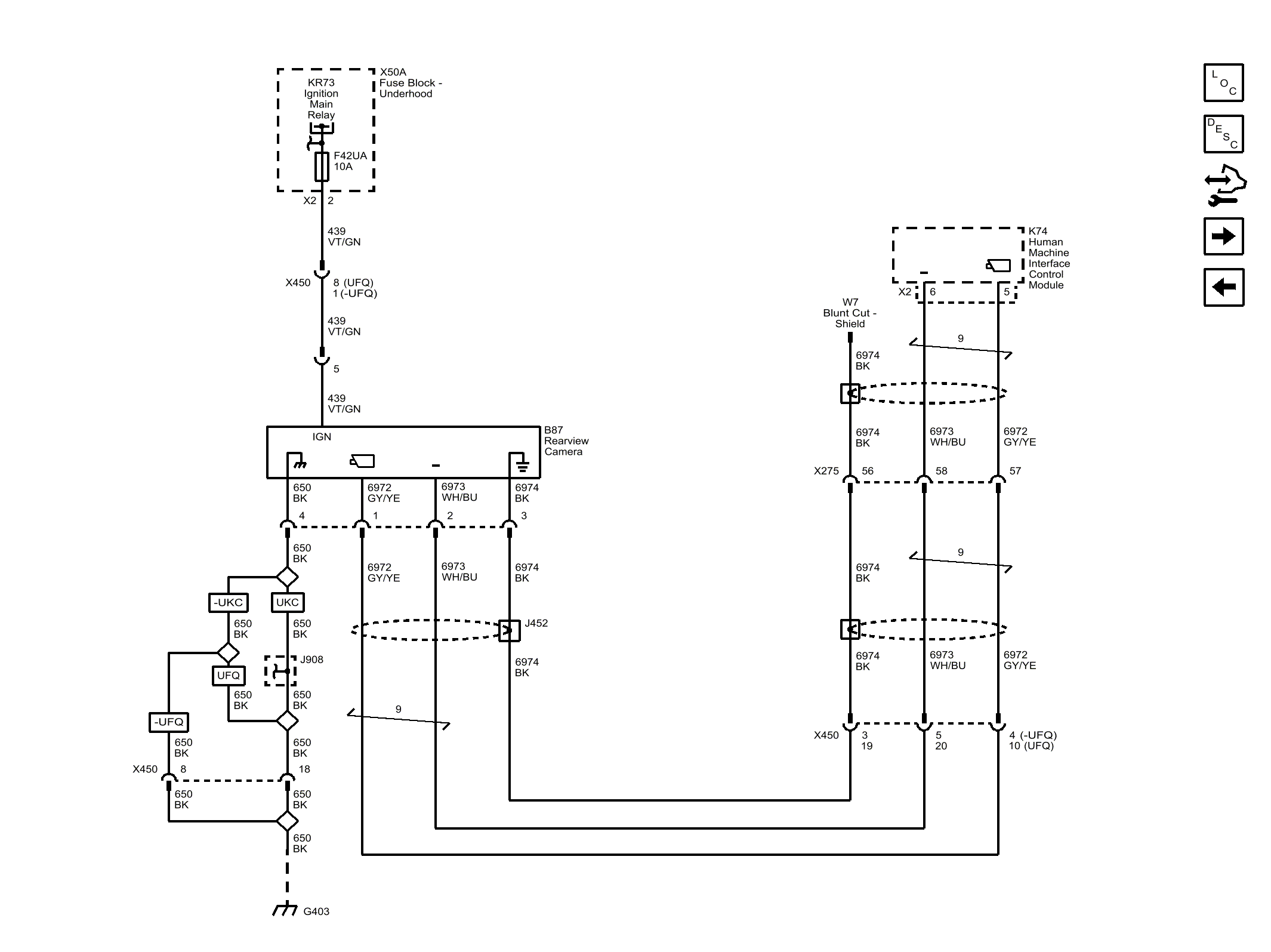
Rearview Camera

Fig 1: Rearview Camera
GM4290987Courtesy of GENERAL MOTORS COMPANY