LEMON Manuals: Even more car manuals for everyone
Home >> Chevrolet >> 2017 >> Traverse LS Base >> Repair and Diagnosis >> Accessories & Equipment >> Drivers Assistance Systems - ADAS >> Object Detection System And Pedestrian Protection System >> Schematic Wiring Diagrams >> Object Detection Wiring Schematics >> Lane Departure Warning and Forward Collision Alert (UVF)

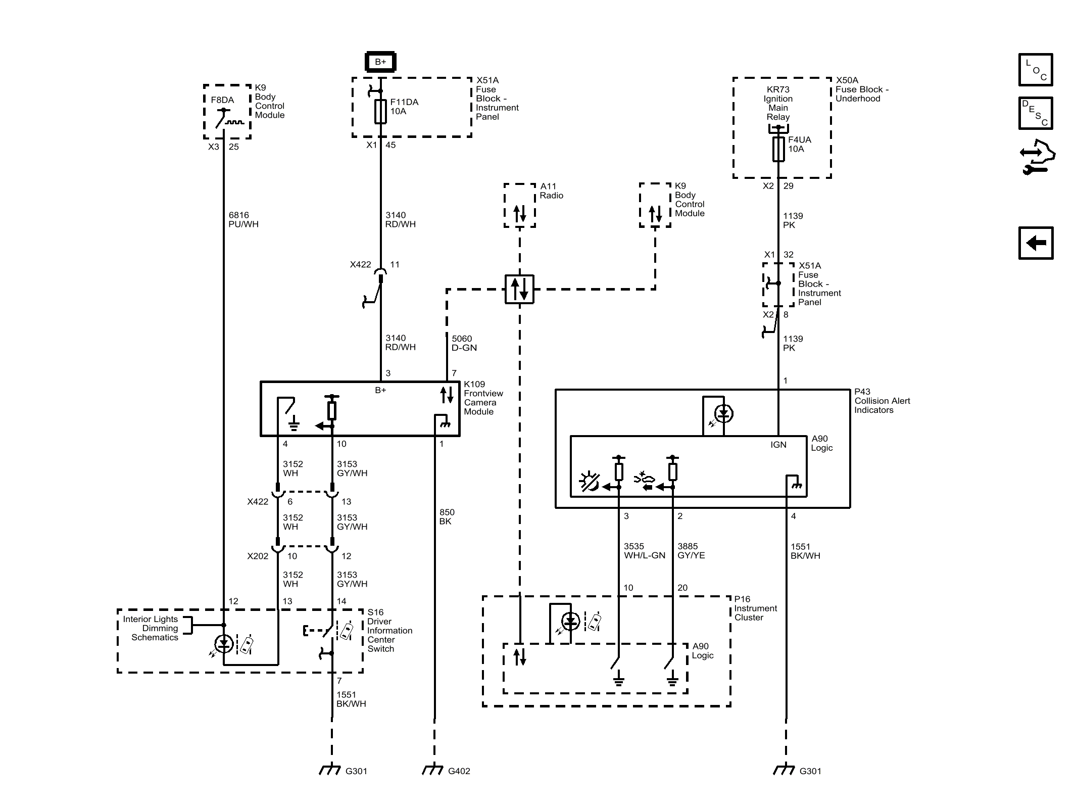
Lane Departure Warning and Forward Collision Alert (UVF)

Fig 1: Lane Departure Warning and Forward Collision Alert (UVF)
GM4406442Courtesy of GENERAL MOTORS COMPANY