LEMON Manuals: Even more car manuals for everyone
Home >> Chevrolet >> 2017 >> Spark LS, Standard Trans >> Repair and Diagnosis >> Engine Performance >> System >> Data Communication System >> Schematic Wiring Diagrams >> Data Communication Wiring Schematics >> Data Communication Enable

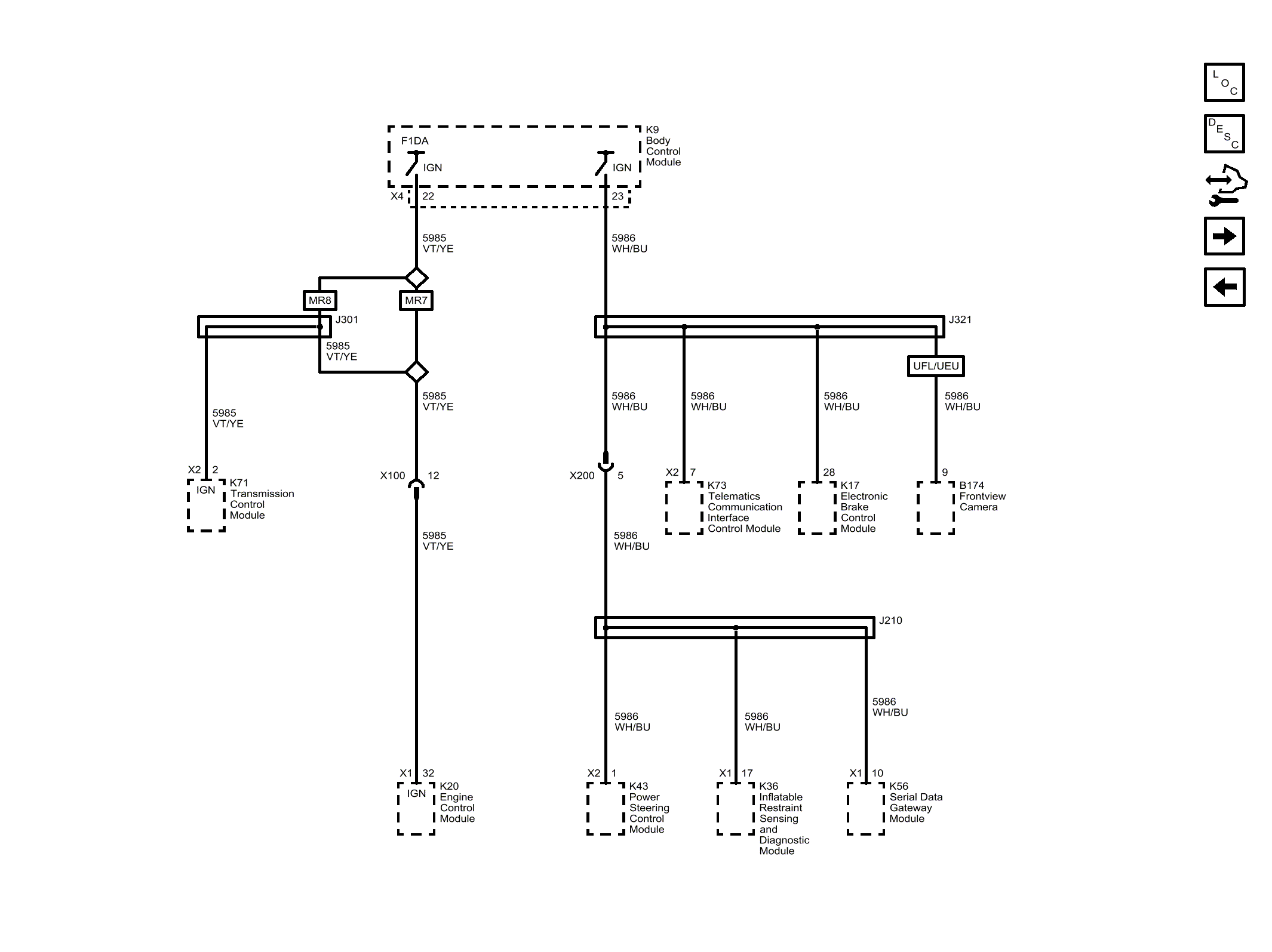
Data Communication Enable

Fig 1: Data Communication Enable
GM4322588Courtesy of GENERAL MOTORS COMPANY