LEMON Manuals: Even more car manuals for everyone
Home >> Chevrolet >> 2017 >> SS Automatic Trans >> Repair and Diagnosis (Single Page) >> Accessories & Equipment >> Drivers Assistance Systems - ADAS >> Object Detection System And Pedestrian Protection System >> Schematic Wiring Diagrams >> Object Detection Wiring Schematics >> Side Object Sensors

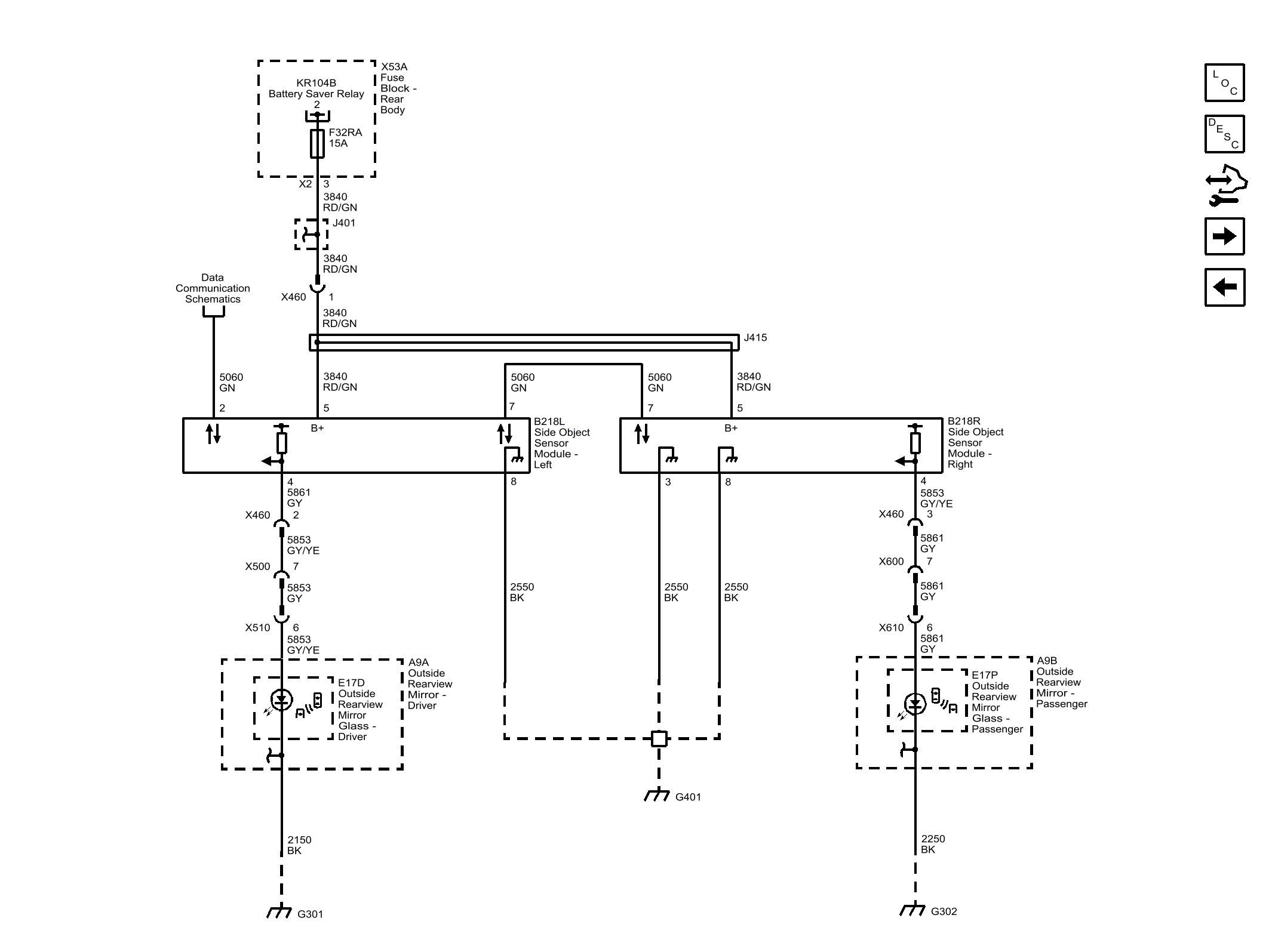
Side Object Sensors

Fig 1: Side Object Sensors
GM4535041Courtesy of GENERAL MOTORS COMPANY