LEMON Manuals: Even more car manuals for everyone
Home >> Chevrolet >> 2017 >> Cruze L >> Repair and Diagnosis >> Accessories & Equipment >> Drivers Assistance Systems - ADAS >> Object Detection System And Pedestrian Protection System >> Schematic Wiring Diagrams >> Object Detection Wiring Schematics >> Side Object Detection (UKC)

Side Object Detection (UKC)

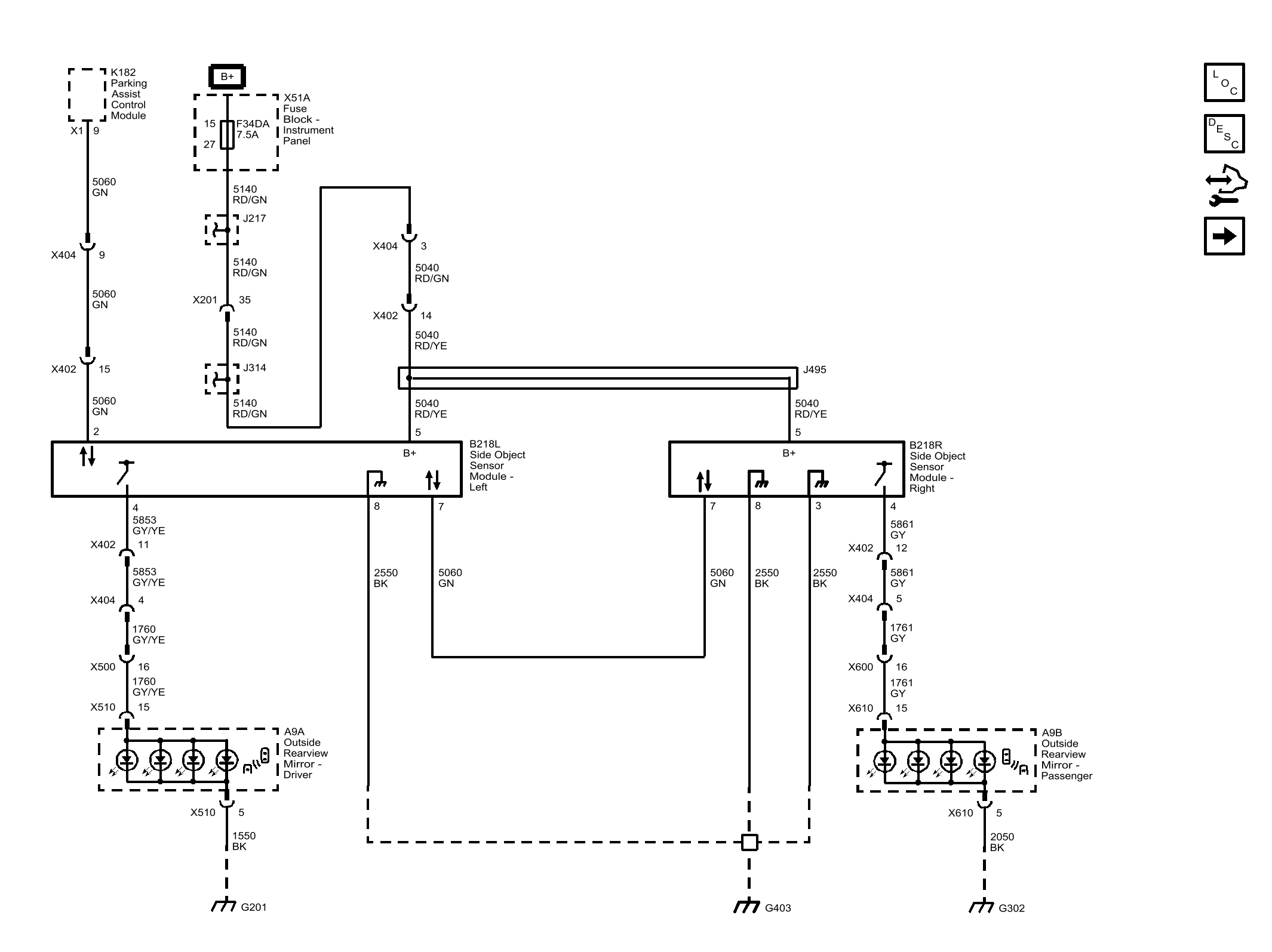
Fig 1: Side Object Detection (UKC)
GM4335053Courtesy of GENERAL MOTORS COMPANY


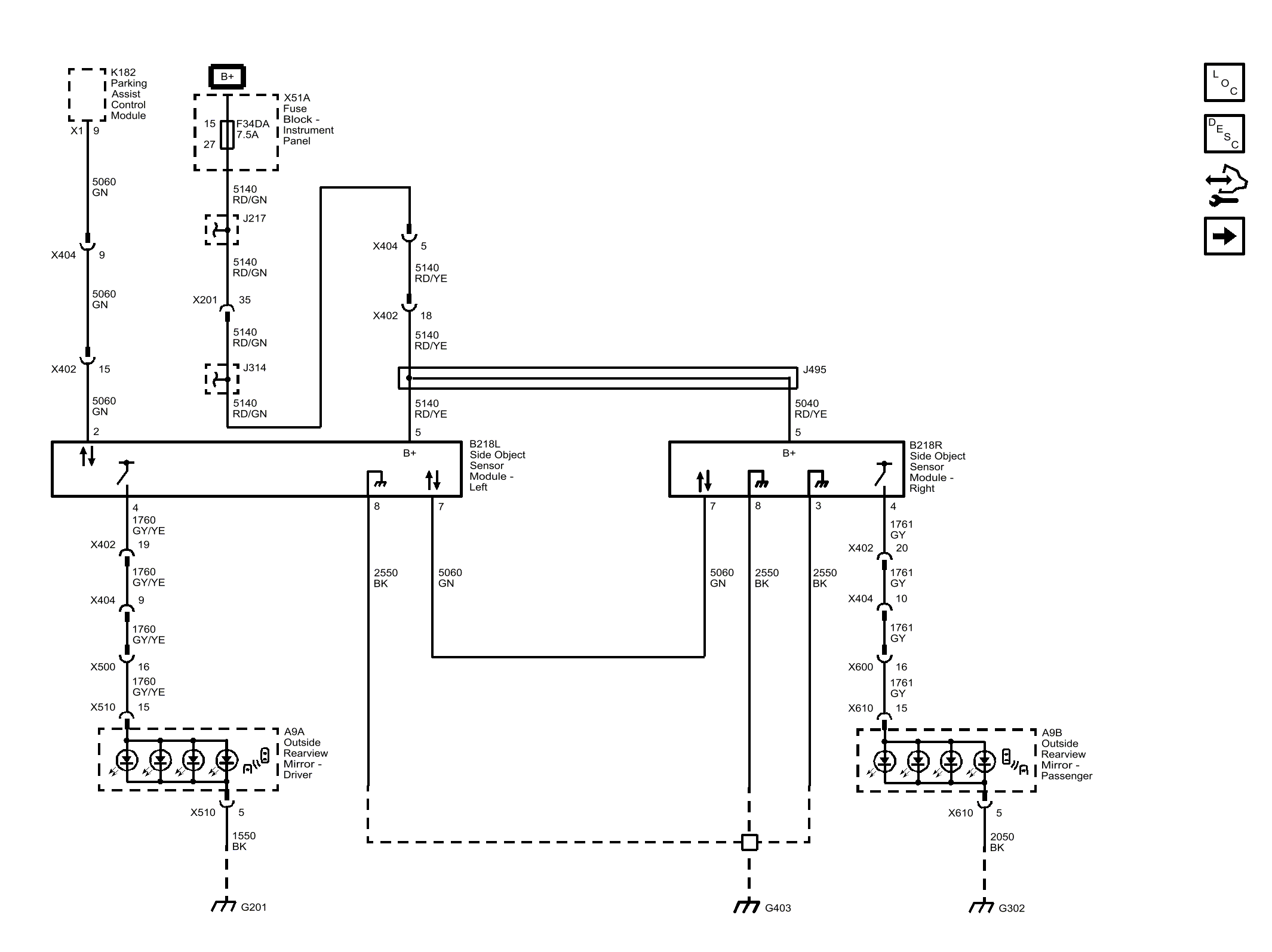
Fig 1: Side Object Detection (UKC)
GM4696124Courtesy of GENERAL MOTORS COMPANY