LEMON Manuals: Even more car manuals for everyone
Home >> Chevrolet >> 2017 >> Cruze L >> Repair and Diagnosis >> Accessories & Equipment >> Drivers Assistance Systems - ADAS >> Object Detection System And Pedestrian Protection System >> Schematic Wiring Diagrams >> Object Detection Wiring Schematics >> Rearview Camera (Notchback) (UVC)

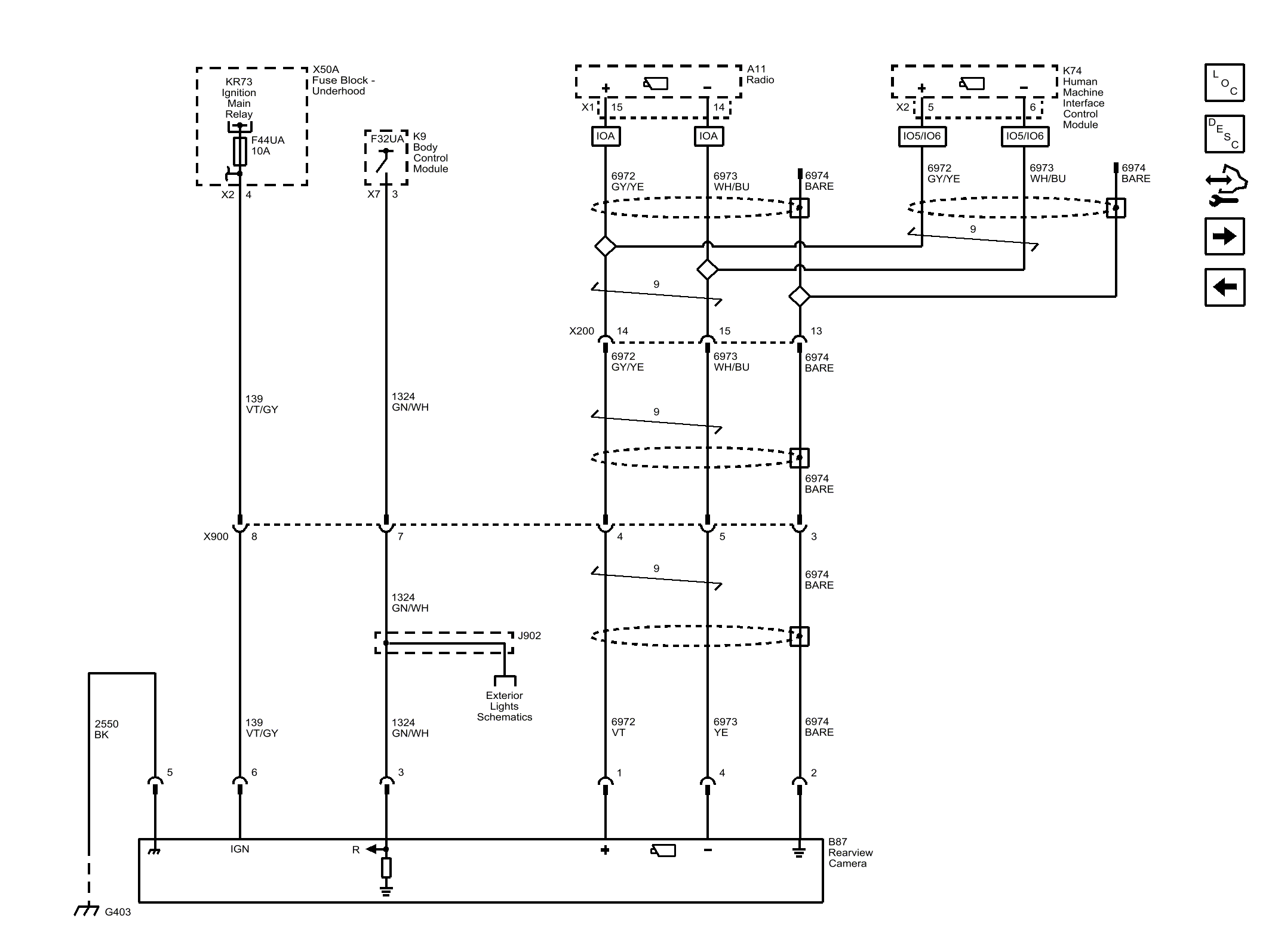
Rearview Camera (Notchback) (UVC)

Fig 1: Rearview Camera (Notchback) (UVC)
GM4335054Courtesy of GENERAL MOTORS COMPANY