LEMON Manuals: Even more car manuals for everyone
Home >> Chevrolet >> 2017 >> City Express LS >> Repair and Diagnosis >> Accessories & Equipment >> Drivers Assistance Systems - ADAS >> Object Detection And Pedestrian Protection System >> Schematic Wiring Diagrams >> Object Detection Schematics >> Rearview Camera (UVC)

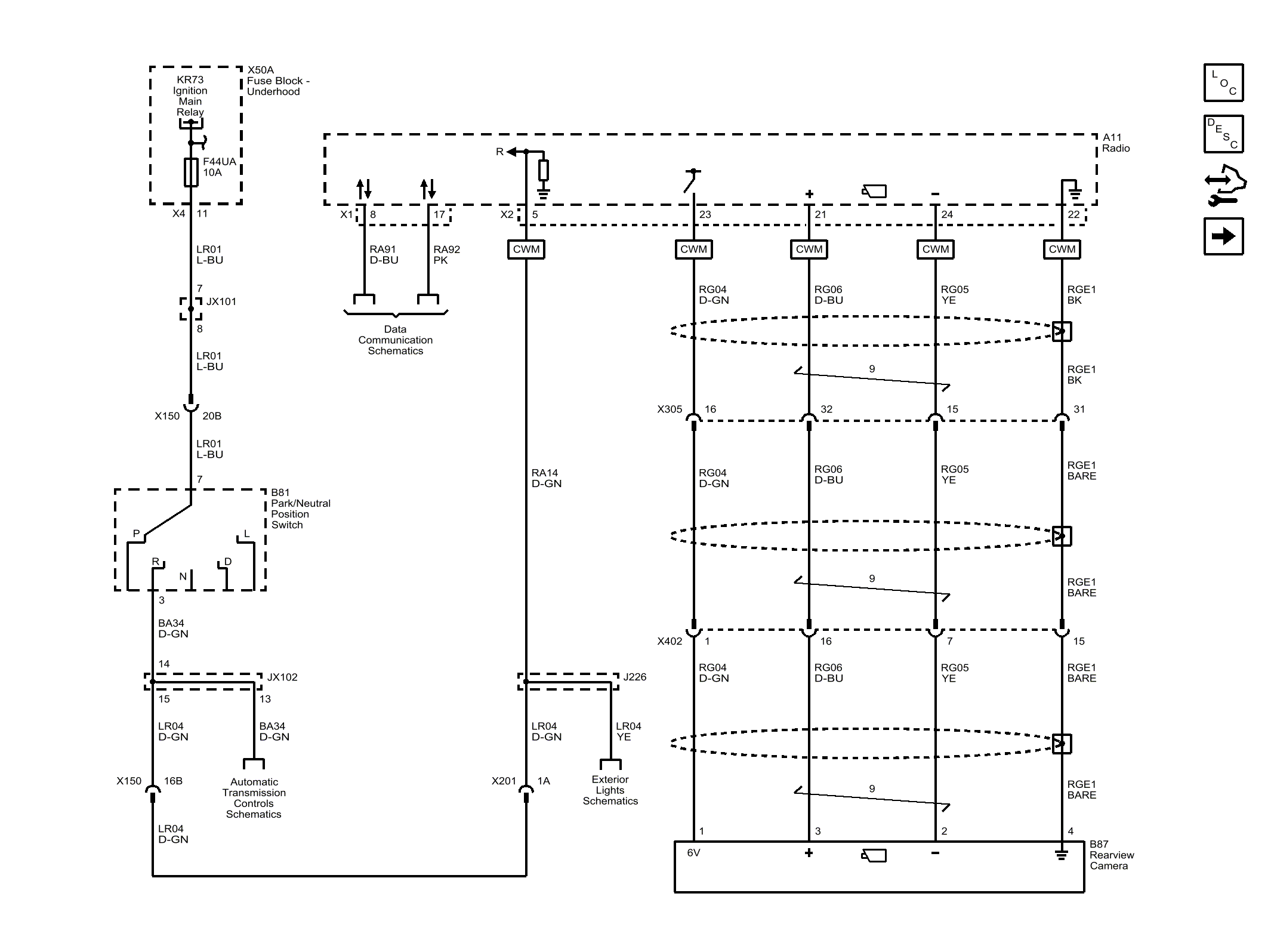
Rearview Camera (UVC)

GM4510049Courtesy of