LEMON Manuals: Even more car manuals for everyone
Home >> Chevrolet >> 2017 >> City Express LS >> Repair and Diagnosis >> Accessories & Equipment >> Drivers Assistance Systems - ADAS >> Object Detection And Pedestrian Protection System >> Schematic Wiring Diagrams >> Object Detection Schematics >> Rear Parking Assist System (UD7) 1 Of 2

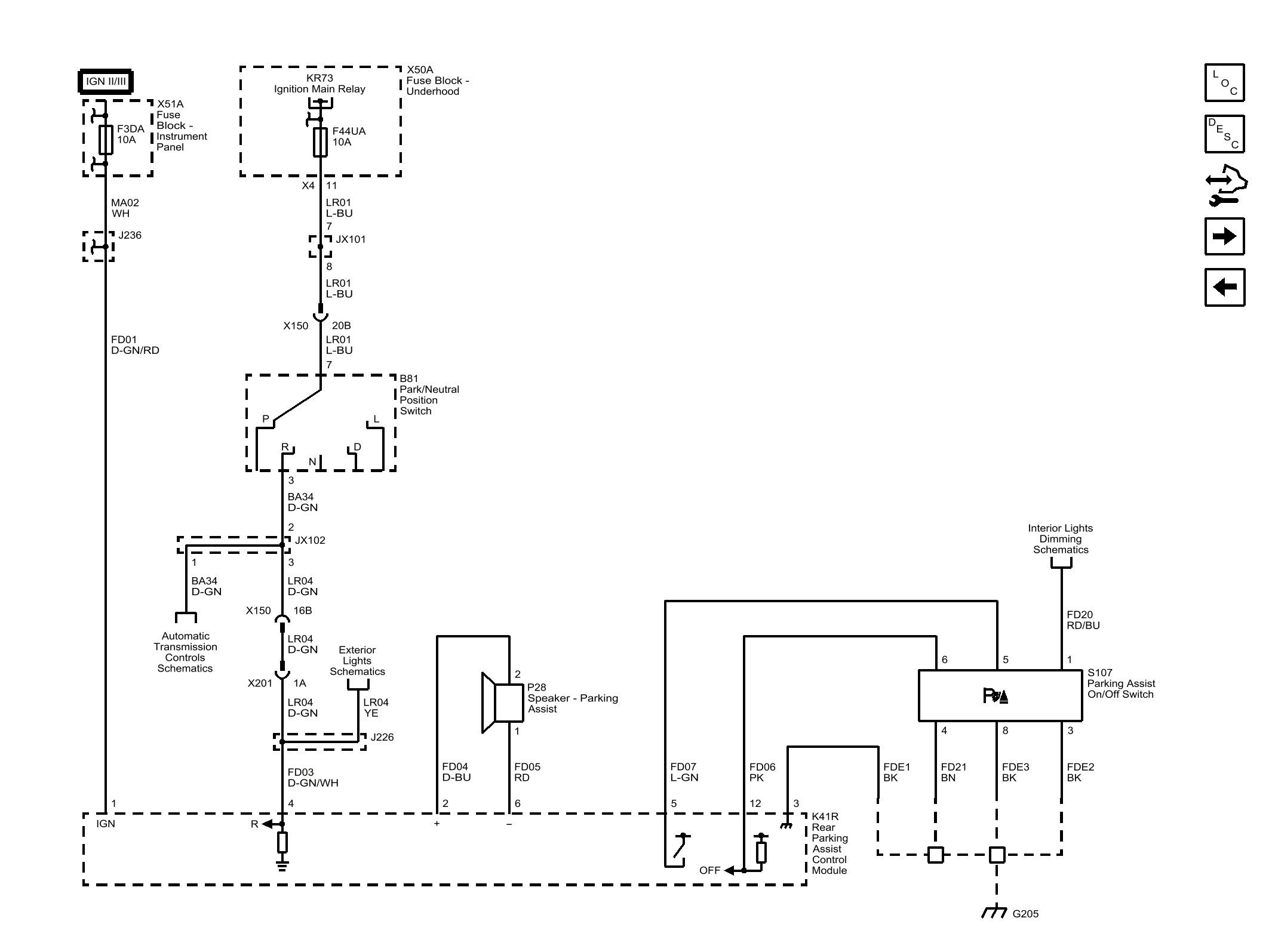
Rear Parking Assist System (UD7) 1 Of 2

GM4510050Courtesy of