LEMON Manuals: Even more car manuals for everyone
Home >> Chevrolet >> 2016 >> Traverse LS, AWD >> Repair and Diagnosis >> Engine Performance >> System >> Data Communication System >> Schematic Wiring Diagrams >> Data Communication Wiring Schematics >> Communication Enable and Linear Interconnect Network (LIN)

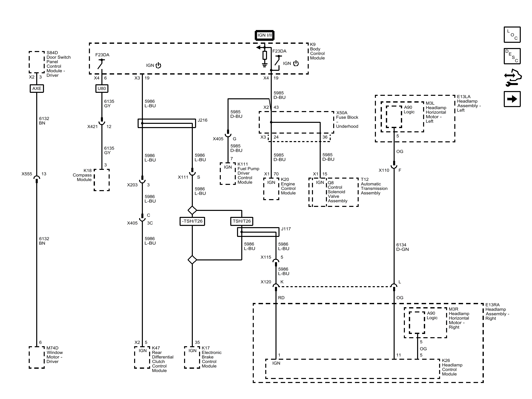
Communication Enable and Linear Interconnect Network (LIN)

Fig 1: Communication Enable and Linear Interconnect Network (LIN)
GM4073974Courtesy of GENERAL MOTORS COMPANY