LEMON Manuals: Even more car manuals for everyone
Home >> Chevrolet >> 2016 >> Tahoe SSV, Gas >> Repair and Diagnosis >> Accessories & Equipment >> Drivers Assistance Systems - ADAS >> Object Detection System And Pedestrian Protection System >> Schematic Wiring Diagrams >> Object Detection Wiring Schematics >> Rear Vision Camera (UVC)

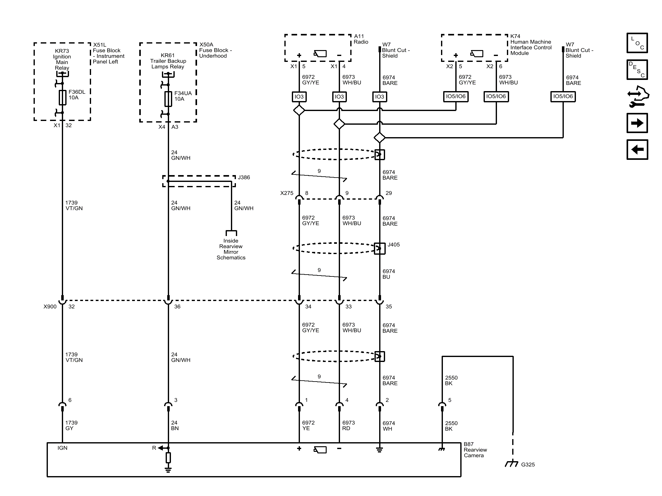
Rear Vision Camera (UVC)

Fig 1: Rear Vision Camera (UVC)
GM4074129Courtesy of GENERAL MOTORS COMPANY