LEMON Manuals: Even more car manuals for everyone
Home >> Chevrolet >> 2016 >> Spark LS, Standard Trans >> Repair and Diagnosis >> External Pages >> Different car >> Section 62 (Object Detection System) >> Schematic Wiring Diagrams >> Object Detection Wiring Schematics >> Rearview Camera (UVC)

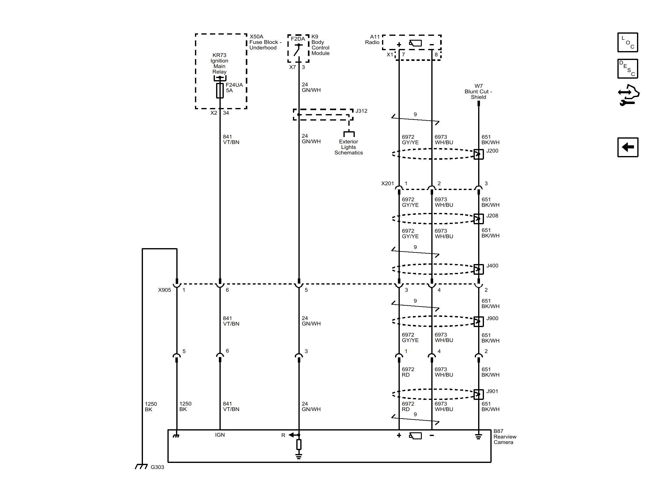
Rearview Camera (UVC)

WARNING: This page is about a different car, the 2015 Chevrolet Spark. However, it is still accessible from the selected car via links, so may be relevant.
Fig 1: Rearview Camera (UVC)
GM3680853Courtesy of GENERAL MOTORS COMPANY