LEMON Manuals: Even more car manuals for everyone
Home >> Chevrolet >> 2016 >> Spark LS, Standard Trans >> Repair and Diagnosis >> Engine Performance >> System >> Data Communication System >> Schematic Wiring Diagrams >> Data Communication Wiring Schematics >> Linear Interconnect Network (LIN)

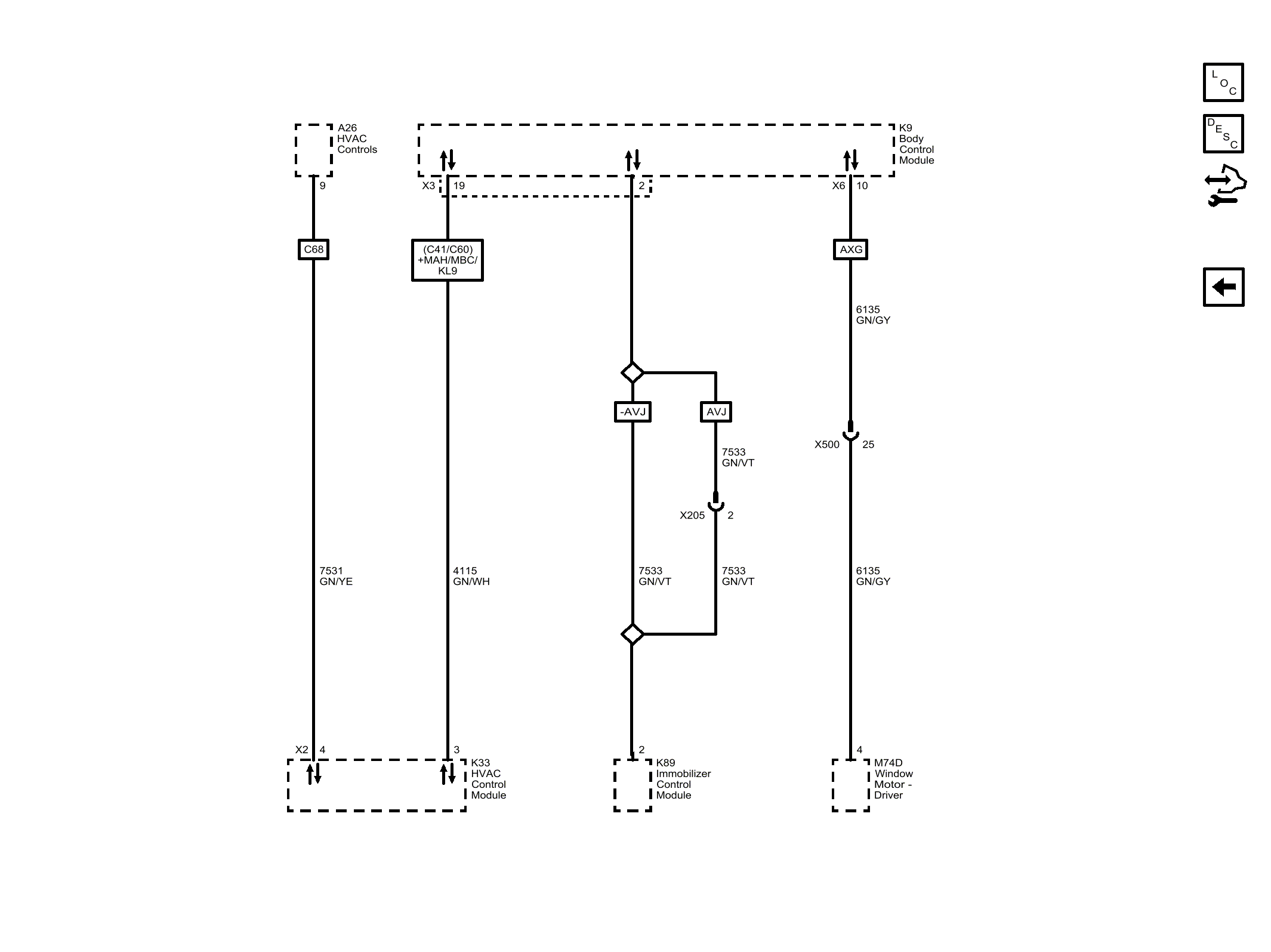
Linear Interconnect Network (LIN)

Fig 1: Linear Interconnect Network (LIN)
GM4086356Courtesy of GENERAL MOTORS COMPANY