LEMON Manuals: Even more car manuals for everyone
Home >> Chevrolet >> 2016 >> Spark LS, Standard Trans >> Repair and Diagnosis >> Accessories & Equipment >> Drivers Assistance Systems - ADAS >> Object Detection System >> Schematic Wiring Diagrams >> Object Detection Wiring Schematics >> Power, Ground, Serial Data, Rear and Side Object Sensors, Controls and Display (UD7 or UDQ)

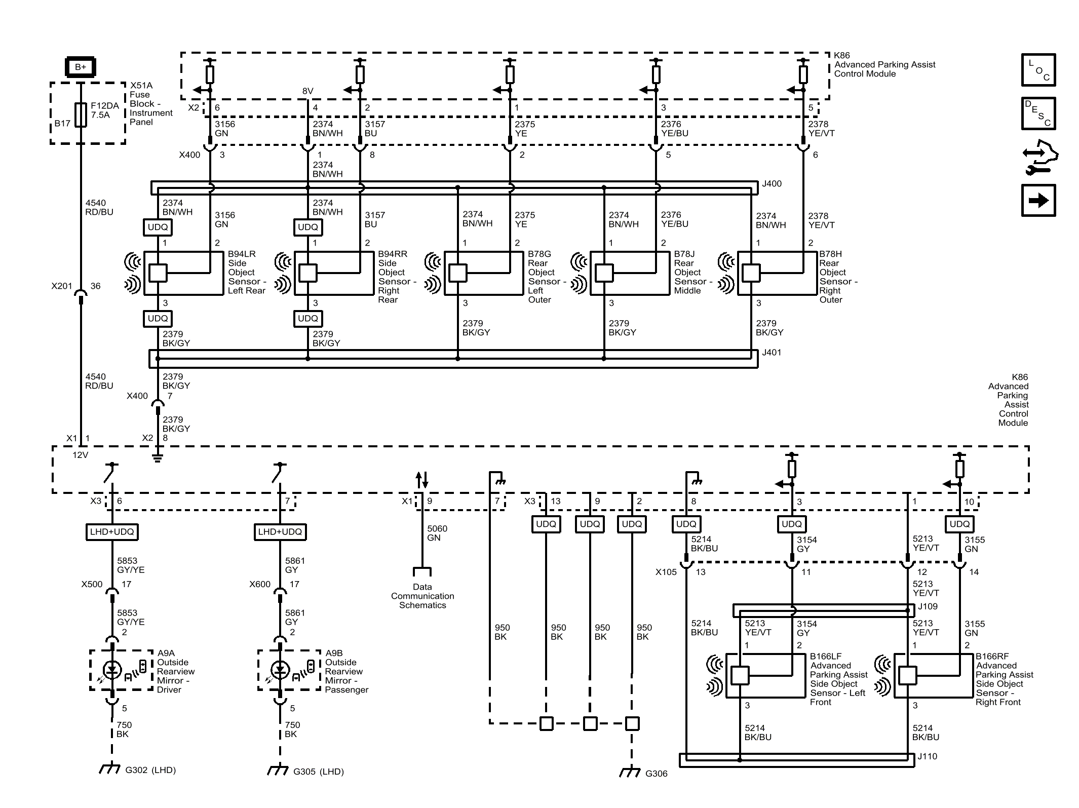
Power, Ground, Serial Data, Rear and Side Object Sensors, Controls and Display (UD7 or UDQ)

Fig 1: Power, Ground, Serial Data, Rear and Side Object Sensors, Controls and Display (UD7 or UDQ)
GM4086421Courtesy of GENERAL MOTORS COMPANY