LEMON Manuals: Even more car manuals for everyone
Home >> Chevrolet >> 2016 >> Spark EV >> Repair and Diagnosis >> Accessories & Equipment >> Drivers Assistance Systems - ADAS >> Object Detection System And Pedestrian Protection System >> Schematic Wiring Diagrams >> Object Detection Wiring Schematics >> Object Detection

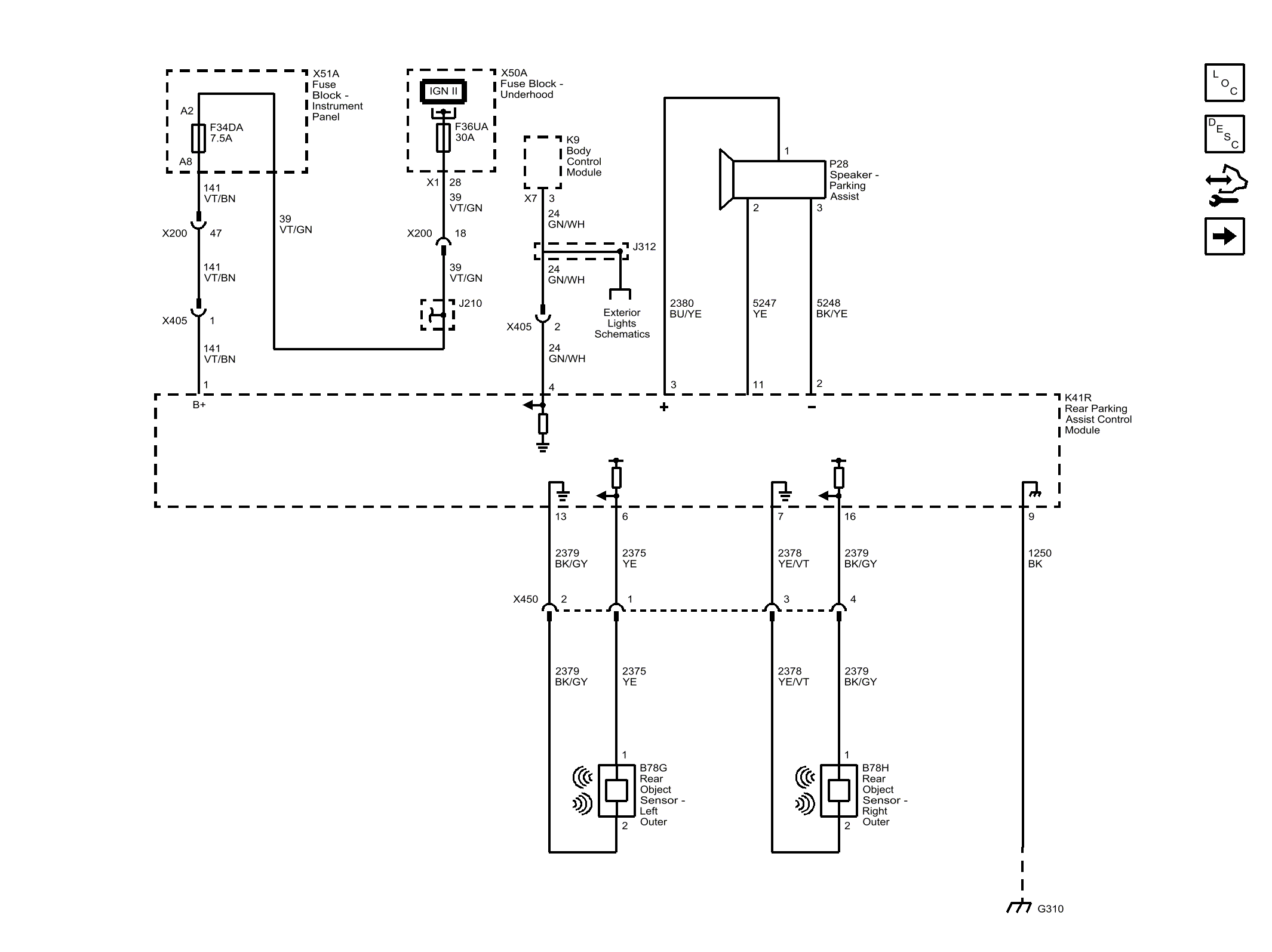
Object Detection

Fig 1: Object Detection
GM4067756Courtesy of GENERAL MOTORS COMPANY