LEMON Manuals: Even more car manuals for everyone
Home >> Chevrolet >> 2016 >> SS Automatic Trans >> Repair and Diagnosis >> Accessories & Equipment >> Drivers Assistance Systems - ADAS >> Object Detection System And Pedestrian Protection System >> Schematic Wiring Diagrams >> Object Detection Wiring Schematics >> Rearview Camera

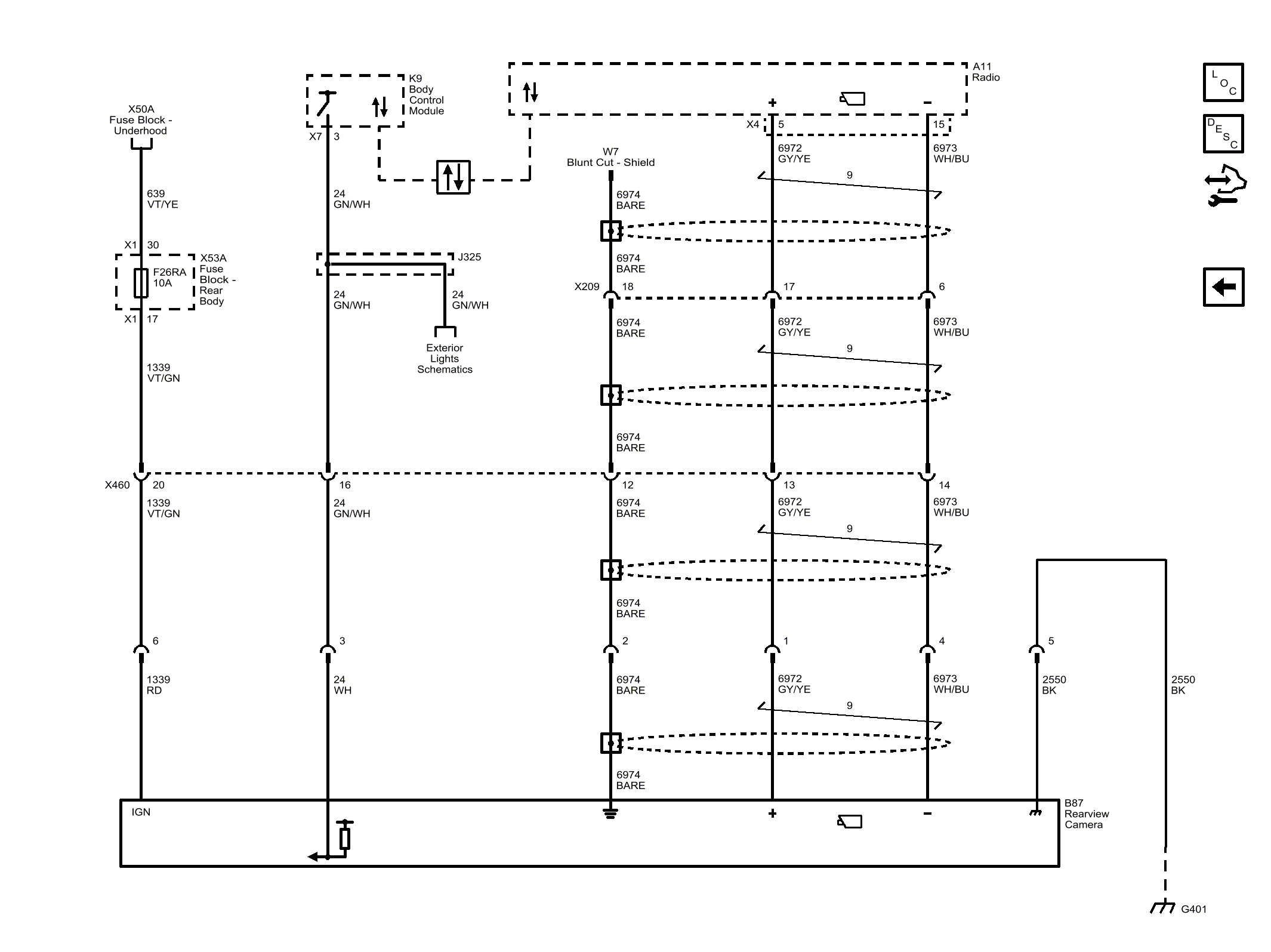
Rearview Camera

Fig 1: Rearview Camera
GM4236636Courtesy of GENERAL MOTORS COMPANY