LEMON Manuals: Even more car manuals for everyone
Home >> Chevrolet >> 2016 >> SS Automatic Trans >> Repair and Diagnosis >> Accessories & Equipment >> Drivers Assistance Systems - ADAS >> Object Detection System And Pedestrian Protection System >> Schematic Wiring Diagrams >> Object Detection Wiring Schematics >> Forward Collision (UEU) and Lane Departure (UFL)

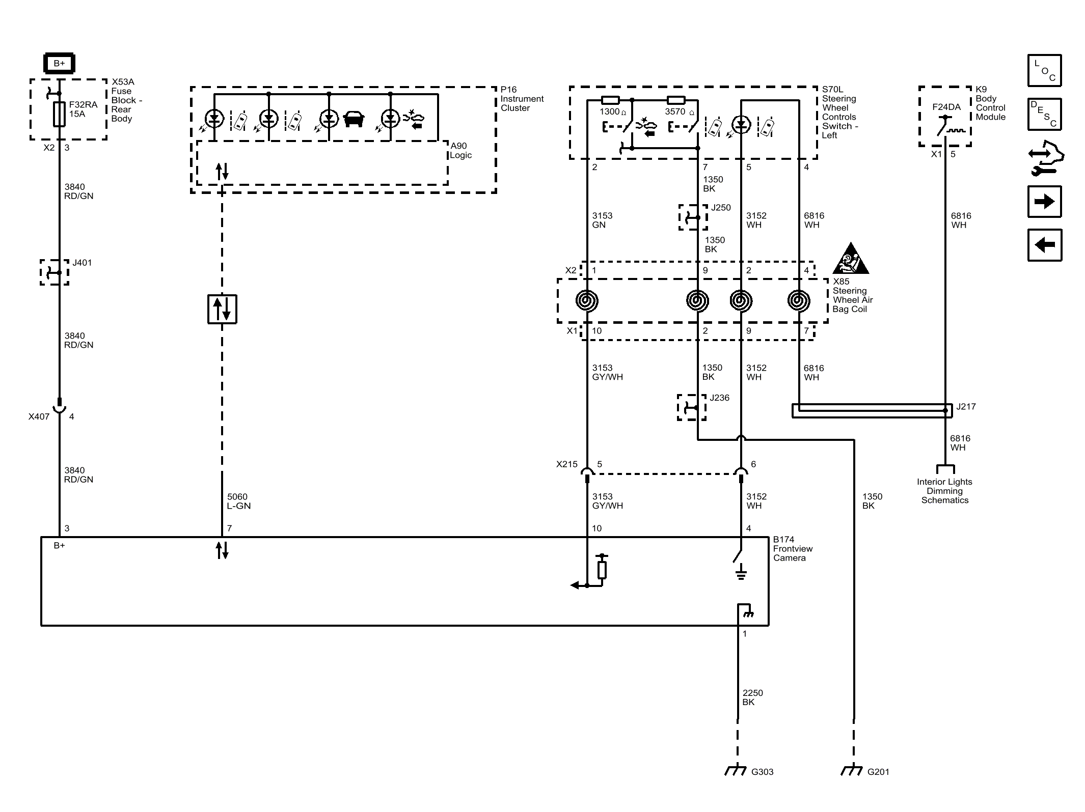
Forward Collision (UEU) and Lane Departure (UFL)

Fig 1: Forward Collision (UEU) and Lane Departure (UFL)
GM4236634Courtesy of GENERAL MOTORS COMPANY