LEMON Manuals: Even more car manuals for everyone
Home >> Chevrolet >> 2016 >> Cruze Premier >> Repair and Diagnosis >> Accessories & Equipment >> Drivers Assistance Systems - ADAS >> Object Detection System And Pedestrian Protection System >> Schematic Wiring Diagrams >> Object Detection Wiring Schematics >> Side Object Detection (UKC)

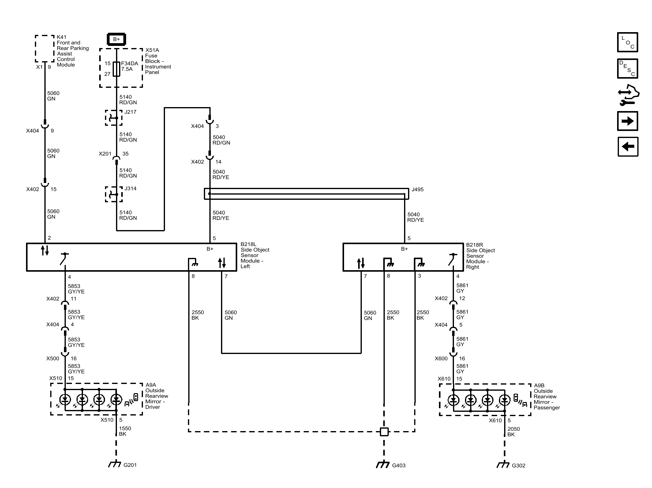
Side Object Detection (UKC)

Fig 1: Side Object Detection (UKC)
GM4251705Courtesy of GENERAL MOTORS COMPANY