LEMON Manuals: Even more car manuals for everyone
Home >> Chevrolet >> 2016 >> Cruze LS, Automatic Trans >> Repair and Diagnosis >> Transmission >> Automatic Trans >> Shift Lock Control System >> Schematic Wiring Diagrams >> Shift Lock Control Wiring Schematics >> Shift Lock Control

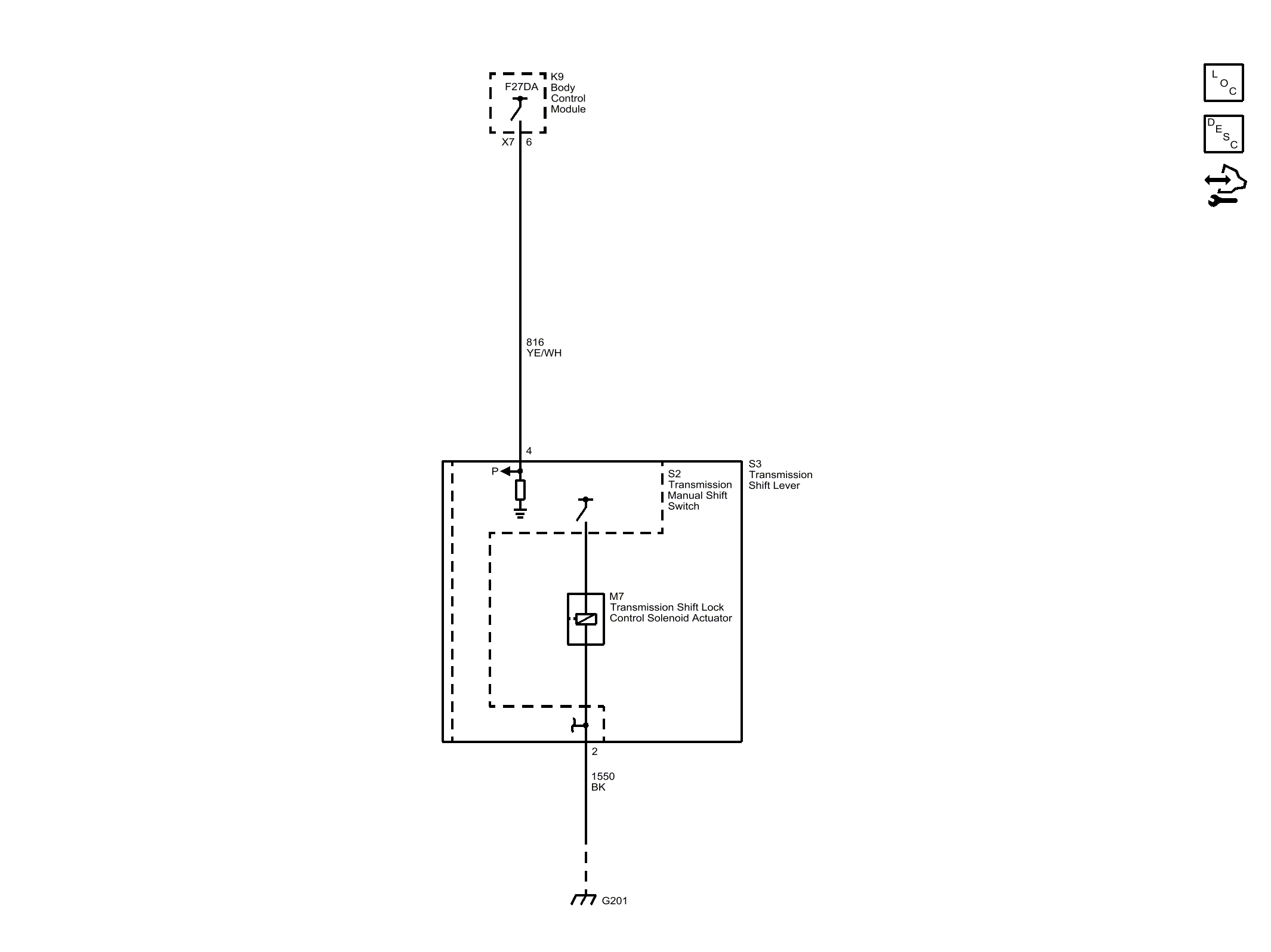
Shift Lock Control

Fig 1: Shift Lock Control
GM4251761Courtesy of GENERAL MOTORS COMPANY