LEMON Manuals: Even more car manuals for everyone
Home >> Chevrolet >> 2015 >> Traverse LS, AWD >> Repair and Diagnosis >> Accessories & Equipment >> Collision/Avoidance >> Object Detection And Pedestrian Protection System >> Schematic and Wiring Diagrams >> Object Detection Wiring Schematics >> Rear Vision Camera (UVC)

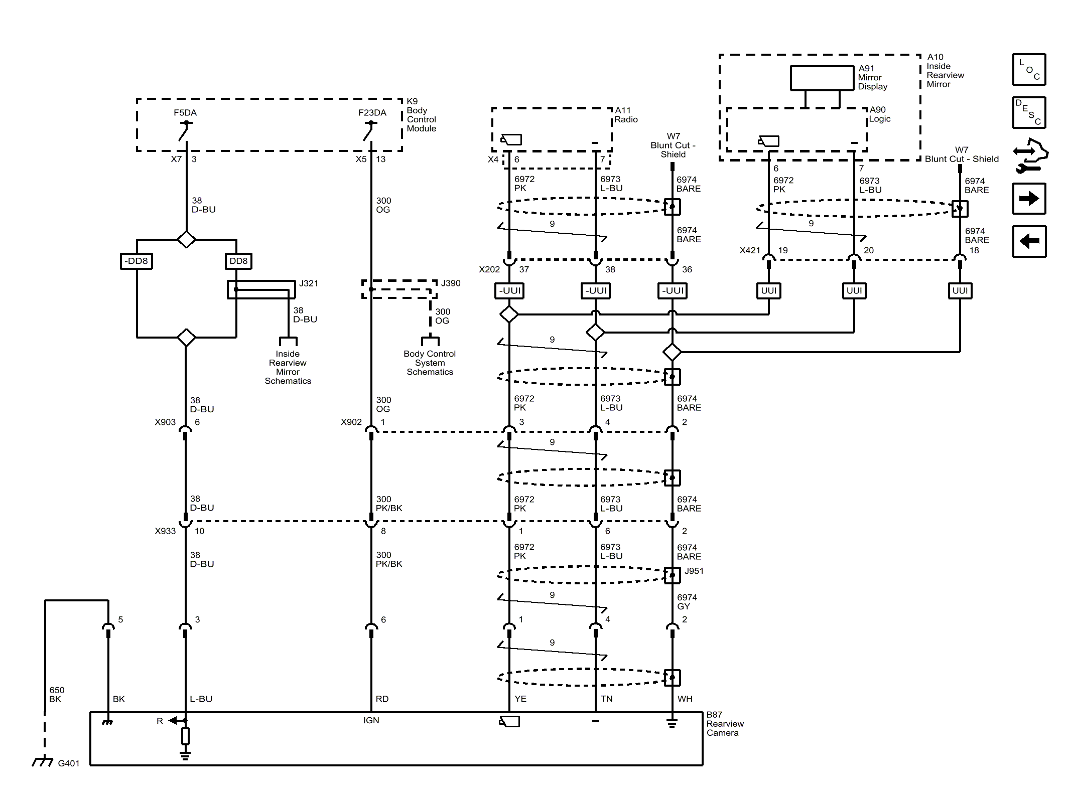
Rear Vision Camera (UVC)

Fig 1: Rear Vision Camera (UVC)
GM3718398Courtesy of GENERAL MOTORS COMPANY