LEMON Manuals: Even more car manuals for everyone
Home >> Chevrolet >> 2015 >> SS Automatic Trans >> Repair and Diagnosis >> Engine Performance >> System >> Data Communication System >> Schematic Wiring Diagrams >> Data Communication Wiring Schematics >> Low Speed

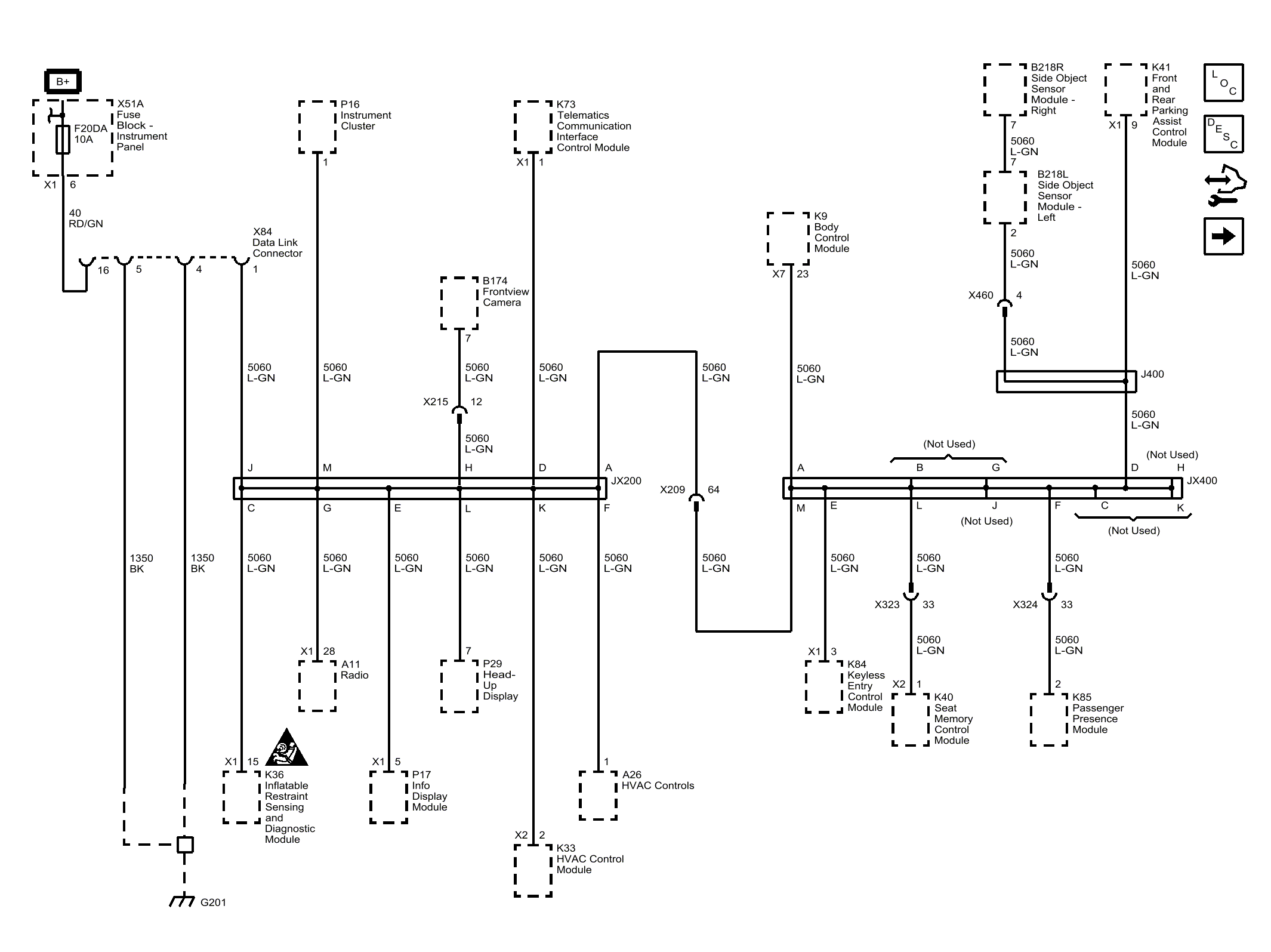
Low Speed

Fig 1: Low Speed
GM3921675Courtesy of GENERAL MOTORS COMPANY