LEMON Manuals: Even more car manuals for everyone
Home >> Chevrolet >> 2015 >> SS Automatic Trans >> Repair and Diagnosis >> Accessories & Equipment >> Memory Modules >> Secondary And Configurable Customer Control System >> Schematic Wiring Diagrams >> Steering Wheel Secondary/Configurable Control Wiring Schematics >> Steering Wheel Controls

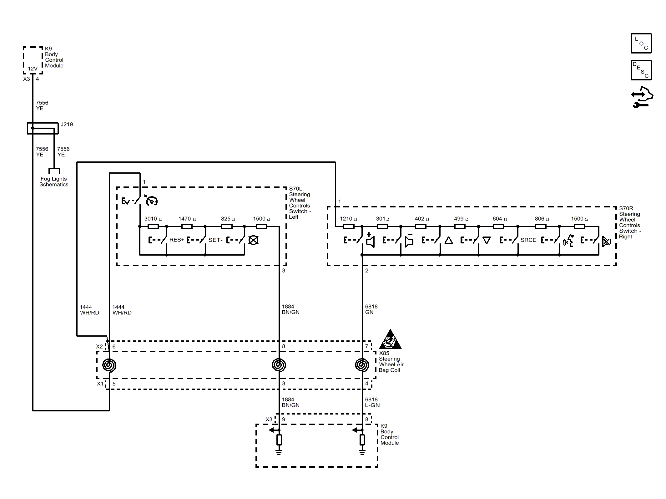
Steering Wheel Controls

Fig 1: Steering Wheel Controls
GM3921630Courtesy of GENERAL MOTORS COMPANY