LEMON Manuals: Even more car manuals for everyone
Home >> Chevrolet >> 2015 >> SS Automatic Trans >> Repair and Diagnosis (Single Page) >> Accessories & Equipment >> Collision/Avoidance >> Object Detection System And Pedestrian Protection System >> Schematic Wiring Diagrams >> Object Detection Wiring Schematics >> Rearview Camera

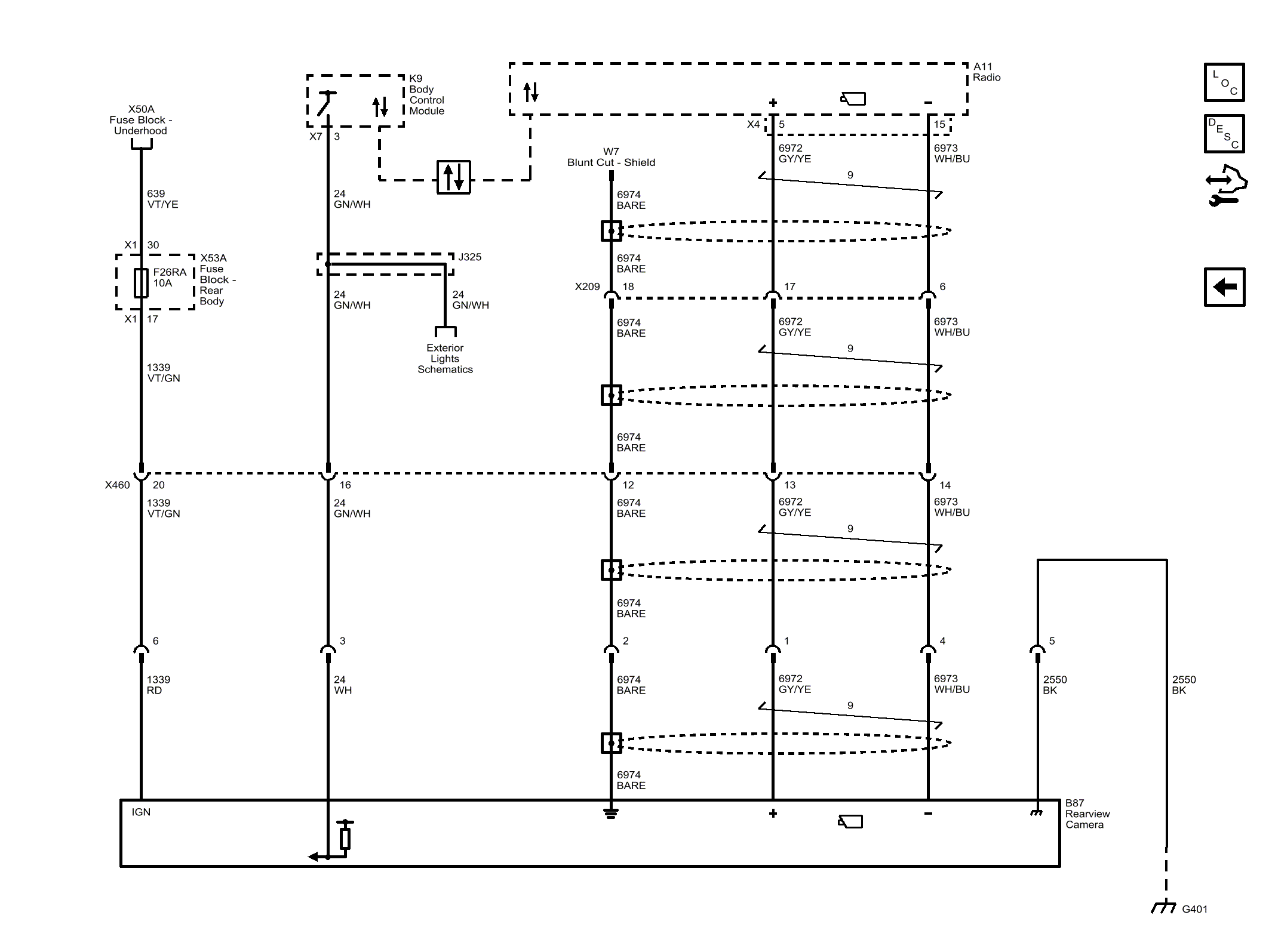
Rearview Camera

Fig 1: Rearview Camera
GM3922972Courtesy of GENERAL MOTORS COMPANY