LEMON Manuals: Even more car manuals for everyone
Home >> Chevrolet >> 2015 >> SS Automatic Trans >> Repair and Diagnosis (Single Page) >> Accessories & Equipment >> Collision/Avoidance >> Object Detection System And Pedestrian Protection System >> Schematic Wiring Diagrams >> Object Detection Wiring Schematics >> Power, Ground, Serial Data, Alarm, Rear Sensors and Controls

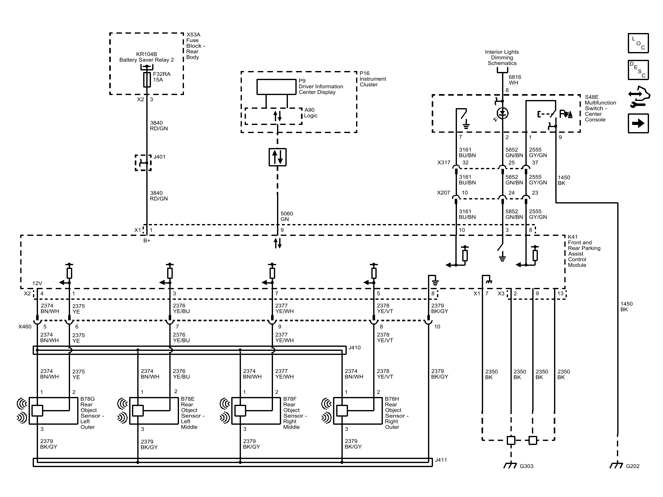
Power, Ground, Serial Data, Alarm, Rear Sensors and Controls

Fig 1: Power, Ground, Serial Data, Alarm, Rear Sensors and Controls
GM3922975Courtesy of GENERAL MOTORS COMPANY