LEMON Manuals: Even more car manuals for everyone
Home >> Chevrolet >> 2015 >> Cruze Diesel >> Repair and Diagnosis >> External Pages >> Different car >> Section 62 (Object Detection System And Pedestrian Protection System) >> Schematic Wiring Diagrams >> Object Detection Wiring Schematics (Encore) >> Rearview Camera (Encore with UVC)

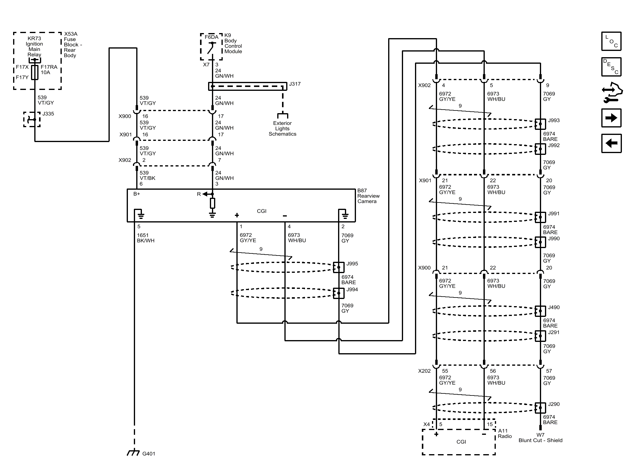
Rearview Camera (Encore with UVC)

WARNING: This page is about a different car, the 2015 Chevrolet Trax and 2015 Buick Encore. However, it is still accessible from the selected car via links, so may be relevant.
Fig 1: Rearview Camera (Encore with UVC)
GM3698415Courtesy of GENERAL MOTORS COMPANY