LEMON Manuals: Even more car manuals for everyone
Home >> Chevrolet >> 2015 >> Camaro LS, Automatic Trans >> Repair and Diagnosis >> Accessories & Equipment >> Drivers Assistance Systems - ADAS >> Object Detection And Pedestrian Protection System >> Schematic Wiring Diagrams >> Object Detection Wiring Schematics >> Object Detection Schematics Rear View Camera

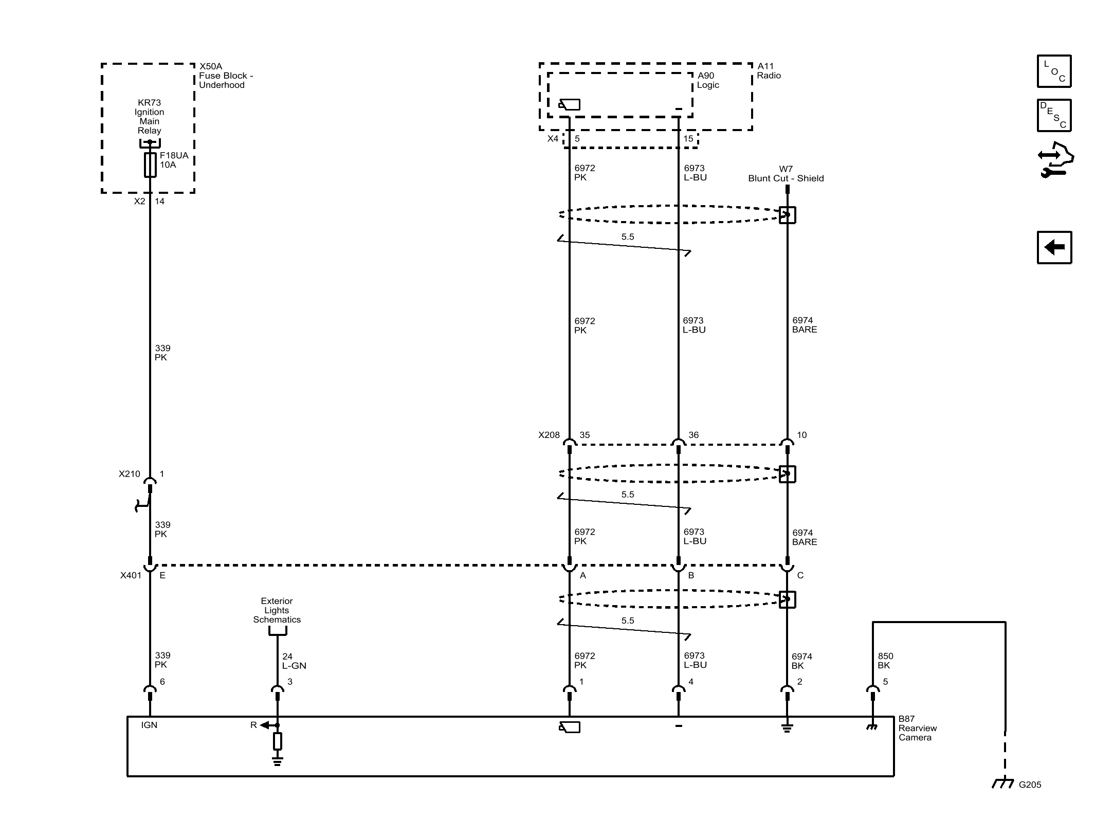
Object Detection Schematics Rear View Camera

Fig 1: Object Detection Schematics Rear View Camera
GM3708647Courtesy of GENERAL MOTORS COMPANY