LEMON Manuals: Even more car manuals for everyone
Home >> Chevrolet >> 2014 >> Trax LTZ, AWD >> Repair and Diagnosis >> Accessories & Equipment >> Drivers Assistance Systems - ADAS >> Object Detection System And Pedestrian Protection System >> Schematic Wiring Diagrams >> Object Detection Wiring Schematics (Encore) >> Rearview Camera (UVC)

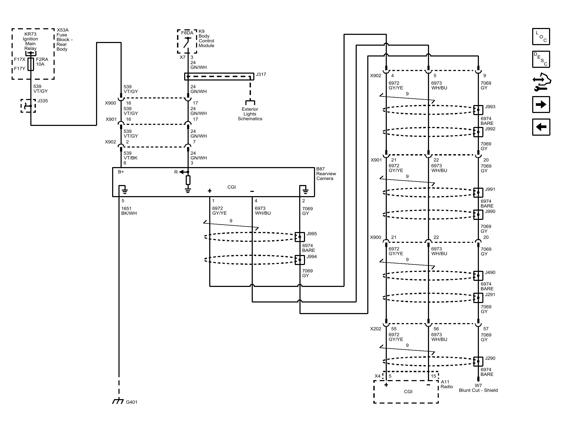
Rearview Camera (UVC)

Fig 1: Rearview Camera (UVC)
GM3263516Courtesy of GENERAL MOTORS COMPANY