LEMON Manuals: Even more car manuals for everyone
Home >> Chevrolet >> 2014 >> Trax LS, Automatic Trans >> Repair and Diagnosis >> Accessories & Equipment >> Drivers Assistance Systems - ADAS >> Object Detection System And Pedestrian Protection System >> Schematic Wiring Diagrams >> Object Detection Wiring Schematics (Trax) >> Rear Sensors (UD7)

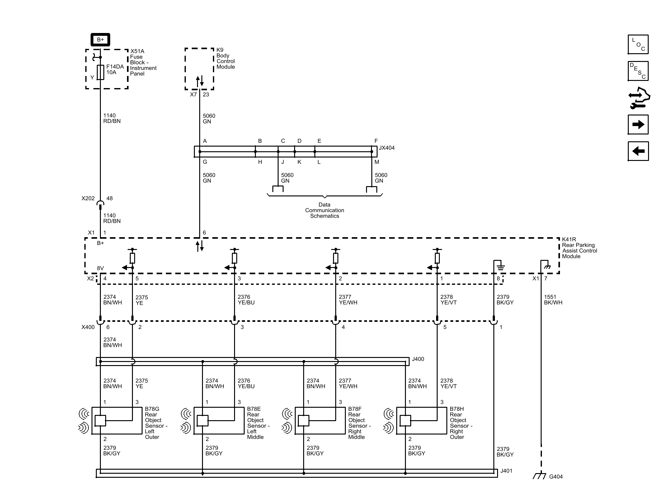
Rear Sensors (UD7)

Fig 1: Rear Sensors (UD7)
GM3631246Courtesy of GENERAL MOTORS COMPANY