LEMON Manuals: Even more car manuals for everyone
Home >> Chevrolet >> 2014 >> Traverse LS, 4D Utility >> Repair and Diagnosis >> External Pages >> Different car >> Section 102 (Object Detection And Pedestrian Protection System) >> Schematic and Wiring Diagrams >> Object Detection Wiring Schematics >> Lane Departure Warning and Forward Collision Alert (UVF)

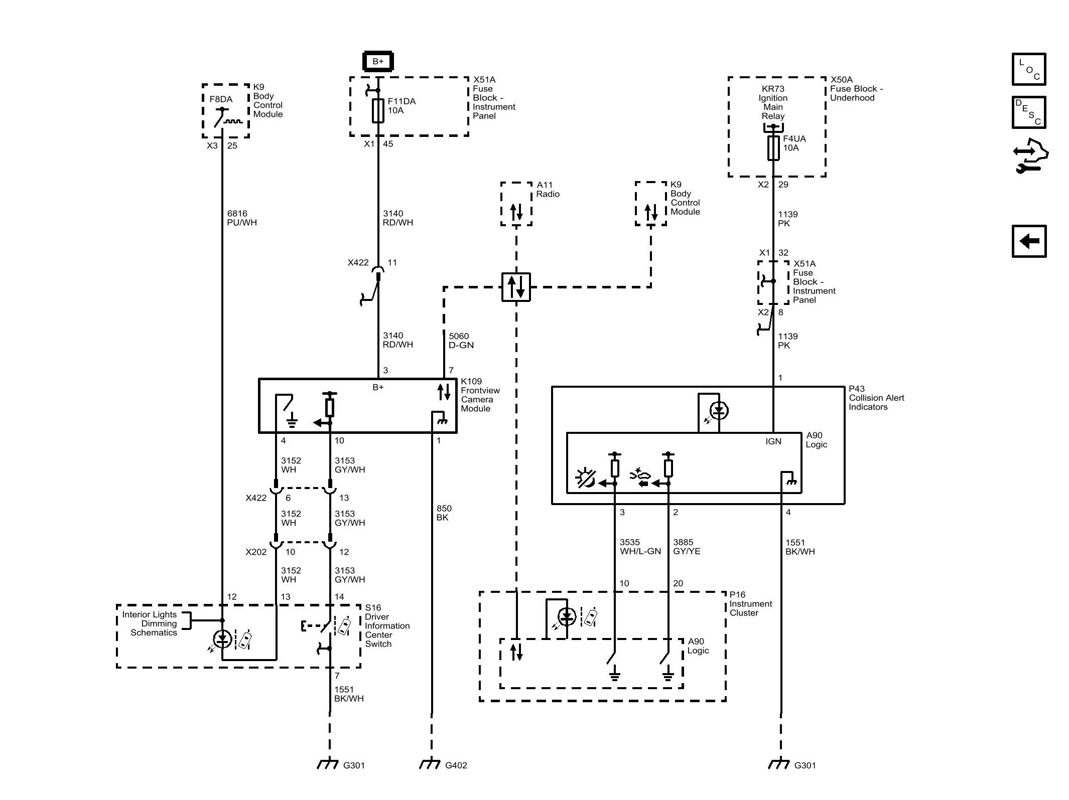
Lane Departure Warning and Forward Collision Alert (UVF)

WARNING: This page is about a different car, the 2015 GMC Acadia, 2015 Chevrolet Traverse, and 2015 Buick Enclave. However, it is still accessible from the selected car via links, so may be relevant.
Fig 1: Lane Departure Warning and Forward Collision Alert (UVF)
GM3718400Courtesy of GENERAL MOTORS COMPANY