LEMON Manuals: Even more car manuals for everyone
Home >> Chevrolet >> 2014 >> Traverse LS, 4D Utility >> Repair and Diagnosis >> Engine Performance >> System >> Data Communication System >> Schematic Wiring Diagrams >> Data Communication Wiring Schematics >> Communication Enable and Linear Interconnect Network (LIN)

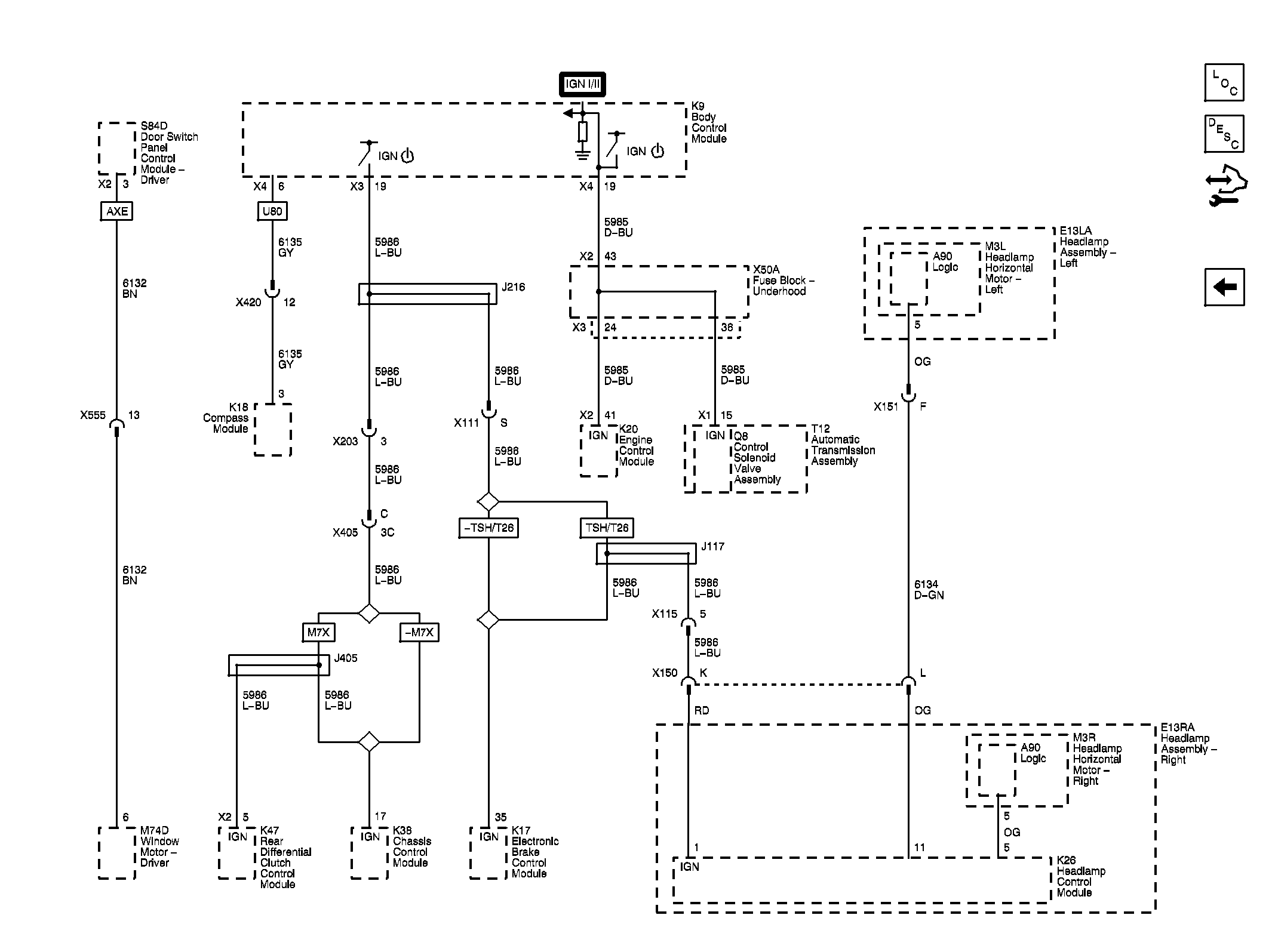
Communication Enable and Linear Interconnect Network (LIN)

Fig 1: Communication Enable and Linear Interconnect Network (LIN) Wiring Schematics
GM3329343Courtesy of GENERAL MOTORS COMPANY